Foram encontradas 822 questões.
Um projeto de instalação elétrica tem a seguinte previsão de cargas:
Iluminação: 1,3 kVA
TUG: 5,5 kVA
TUE: 2 chuveiros de 4,4 kVA / 220 V cada
1 ar condicionado de 1,2 kVA / 127 V
A concessionária estabelece para esse tipo de instalação um sistema bifásico com neutro de 127 / 220 V e as seguintes tabelas de fatores de demanda:
Tabela I − Fator de demanda para iluminação e TUG.
| SIlum + STUG [kVA] | Fator de demanda |
| 0 < S ≤ 1 | 0,86 |
| 1 < S ≤ 2 | 0,75 |
| 2 < S ≤ 3 | 0,66 |
| 3 < S ≤ 4 | 0,59 |
| 4 < S ≤ 5 | 0,52 |
| 5 < S ≤ 6 | 0,45 |
| 6 < S ≤ 7 | 0,40 |
| 7 < S ≤ 8 | 0,35 |
| 8 < S ≤ 9 | 0,31 |
| 9 < S ≤ 10 | 0,27 |
| S > 10 | 0,24 |
Tabela II − Fator de demanda para chuveiro e torneira elétrica.
| Número de aparelhos | Fator de demanda |
| 1 | 1,00 |
| 2 | 0,68 |
| 3 | 0,56 |
Tabela III − Fator de demanda para ar condicionado.
| Número de aparelhos | Fator de demanda |
| 1 a 10 | 1,00 |
| 11 a 20 | 0,90 |
| 21 a 30 | 0,82 |
Para o dimensionamento do disjuntor do ramal de entrada a concessionária solicita a corrente de demanda máxima que para essa instalação vale, aproximadamente, em ampère,
Provas
Considere o esquema elétrico e as seguintes proposições:

I. A corrente de curto-circuito na extremidade do circuito terminal depende da seção dos condutores usados nos circuitos alimentador (S1) e terminal (S2).
II. Quanto maior as distâncias L1 e L2, maior é a corrente de curto-circuito na extremidade do circuito terminal.
III. A relação entre as corrente de curto-circuitos indicadas no esquema é ICC2> ICC1>ICCi.
Está correto o que consta em
Provas
Um gerador de tensão com capacidade de 200 A alimenta três motores, conforme a tabela abaixo.
| Motor | Potência (kW) | Corrente (p.u.) |
| M1 | 20 | 0,150 |
| M2 | 10 | 0,075 |
| M3 | 40 | 0,300 |
Sendo a base adotada para a corrente por-unidade igual à capacidade de corrente do gerador, a corrente total fornecida aos motores, em ampères, vale
Provas
A relutância representa
Provas
No ensaio de um motor CC do tipo shunt de 120 V, mediu-se a corrente de 2,4 A para uma determinada rotação, em RPM, e carga, em kgf.m. A potência desenvolvida no eixo do motor está de acordo com a relação:
Provas
Sobre lâmpadas e suas características, é correto afirmar:
Provas
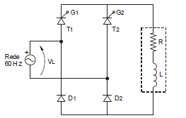
Considere o circuito abaixo.

Em relação ao funcionamento deste circuito, com carga altamente indutiva:
I. Durante todo o semiciclo positivo da tensão de alimentação, o SCR (T1), encontra-se diretamente polarizado.
II. Para o circuito entregar o máximo de potência à carga, os tiristores devem ser acionados simultaneamente a cada início de ciclo da tensão CA que alimenta o circuito.
III. Para variar a potência fornecida à carga, basta variar o ângulo de disparo dos SCRs.
IV. No instante em que o semiciclo positivo da tensão de alimentação cair para zero, a corrente na carga também cai para zero.
Está correto o que consta APENAS em
Provas
Um transistor na configuração EC tem as seguintes curvas características de entrada e saída:

Na situação onde VBE = 0,8 e VCE = 6V, o ganho de corrente β é, aproximadamente, igual a
Provas
Considere o circuito RLC abaixo.

Na frequência de ressonância, é correto afirmar que o circuito
Provas
As atividades pertinentes a uma concretagem devem ser avaliadas de tal maneira que interrupções não prejudiquem o comportamento do material depois de pronto. O lançamento do concreto
Provas
Caderno Container