Foram encontradas 1.103 questões.

Provas

Provas

Provas
- Proteção de Sistemas ElétricosCoordenação da Proteção e Cálculos de Curto-circuito
- Proteção de Sistemas ElétricosProteções de Sobrecorrente e Proteção Diferencial
Com relação ao TC − Transformador de Corrente e ao TP − Transformador de Potencial, utilizados para medição, considere:
I. São utilizados para medir sinais alternados.
II. O enrolamento primário do TC deve ser ligado em série com a linha.
III. O enrolamento secundário do TP deve estar aberto ou ligado a instrumentos de medida de tensão.
IV. Quando for necessária a retirada de instrumentos do secundário do TC, deve-se antes curtocircuitar seus terminais do secundário.
Está correto o que consta em
Provas

Provas

Provas
Para determinar o número de espiras dos enrolamentos de um transformador fez-se um enrolamento auxiliar com 10 espiras enroladas no núcleo. Ao aplicar 220 V no primário obteve-se, no secundário, uma tensão de 40 V e no enrolamento auxiliar 2 V. O número de espiras dos enrolamentos do primário e do secundário do transformador são, respectivamente,
Provas

Provas
Uma fonte de 24 V alimenta dois resistores em paralelo. Sabe-se que a corrente fornecida pela fonte é 2 A. Uma relação possível de resistores nesta situação é:
Provas

Provas
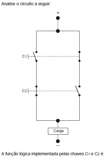
Caderno Container