Foram encontradas 130 questões.

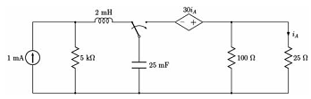
Considerando que, no circuito apresentado, a chave esteve na posição original por muito tempo e, em t = 0, muda de posição conforme ilustrado, julgue o item que se segue.
Se a fonte dependente for substituída por um indutor de 2,5 H, o fator de amortecimento do circuito será inferior a ½.
Provas

Considerando que, no circuito apresentado, a chave esteve na posição original por muito tempo e, em t = 0, muda de posição conforme ilustrado, julgue o item que se segue.
A figura a seguir ilustra de forma correta o comportamento da tensão no capacitor do circuito.

Provas

Considerando que, no circuito apresentado, a chave esteve na posição original por muito tempo e, em t = 0, muda de posição conforme ilustrado, julgue o item que se segue.
No instante de tempo imediatamente anterior à mudança de posição da chave, a corrente no indutor era igual a 1 mA.
Provas
A respeito de automação no sistema produtivo e de integração com os sistemas de segurança patrimonial e pessoal, julgue o item seguinte.
Dispensa-se a criação de um plano de contingência na composição do plano de segurança patrimonial completo.
Provas
A respeito de automação no sistema produtivo e de integração com os sistemas de segurança patrimonial e pessoal, julgue o item seguinte.
Circuitos fechados de televisão, com câmeras alocadas em posições estratégicas, são frequentemente instalados em garagens e em entradas de edificações com o objetivo de informar acerca da chegada de visitantes.
Provas

Atenuador passivo é um aparato de laboratório comumente utilizado no desenvolvimento de dispositivos de alta frequência. A figura apresentada ilustra o modelo de um circuito elétrico no qual uma fonte de tensão VS aciona um atenuador passivo que, por sua vez, está conectado a uma carga resistiva de 50 Ω. Esse atenuador passivo será projetado para apresentar resistência de saída igual a 50 Ω e para atenuar a tensão de entrada por um fator de 10.
Com base nessas informações, julgue o seguinte item.
Para que o atenuador passivo atenda às especificações de projeto, os resistores R1 e R2 devem ter resistência superior a 20 Ω.
Provas

Atenuador passivo é um aparato de laboratório comumente utilizado no desenvolvimento de dispositivos de alta frequência. A figura apresentada ilustra o modelo de um circuito elétrico no qual uma fonte de tensão VS aciona um atenuador passivo que, por sua vez, está conectado a uma carga resistiva de 50 Ω. Esse atenuador passivo será projetado para apresentar resistência de saída igual a 50 Ω e para atenuar a tensão de entrada por um fator de 10.
Com base nessas informações, julgue o seguinte item.
No circuito equivalente de Thévenin a partir dos terminais da carga resistiva, a tensão de saída do atenuador passivo é igual a 1/3 da tensão de Thévenin.
Provas
Em consonância com a Norma Regulamentadora n.º 10, julgue o seguinte item, que se referem a trabalhos que envolvem alta tensão (AT).
O ambiente delimitado por ZC, na figura a seguir, poderá ser acessado por profissionais da manutenção elétrica, sem autorização da supervisão imediata.

Provas
- Instalações ElétricasSubestações
- Sistemas Elétricos de PotênciaDistribuição de Energia Elétrica
- Sistemas Elétricos de PotênciaTransmissão
- Normas TécnicasNBRsNBR 5419: Sistema de Proteção contra Descargas Atmosféricas

A figura acima ilustra configuração típica de uma subestação de sistemas elétricos de potência. Na entrada da subestação, há duas linhas de transmissão (LT1 e LT 2). O esquema evidencia que, mediante adequadas conexões das chaves seccionadoras na subestação, são alimentados dois transformadores de potência (TR 1 e TR 2).
A partir dessas informações, julgue o próximo item.
Localizações adequadas para instalação de para-raios nessa subestação ficam na entrada da subestação, ou seja, na conexão entre cada linha de transmissão e a subestação, nos locais com as indicações 4 e 5.
Provas
- Instalações ElétricasSubestações
- Proteção de Sistemas ElétricosProteção em Média Tensão
- Sistemas Elétricos de PotênciaDistribuição de Energia Elétrica
- Sistemas Elétricos de PotênciaTransmissão

A figura acima ilustra configuração típica de uma subestação de sistemas elétricos de potência. Na entrada da subestação, há duas linhas de transmissão (LT1 e LT 2). O esquema evidencia que, mediante adequadas conexões das chaves seccionadoras na subestação, são alimentados dois transformadores de potência (TR 1 e TR 2).
A partir dessas informações, julgue o próximo item.
As indicações 1, 2 e 3 no circuito são referentes, respectivamente, à chave que secciona a barra, à chave de by-pass no disjuntor e à chave transversal na entrada de alimentação para os transformadores.
Provas
Caderno Container