Foram encontradas 130 questões.

A figura acima ilustra configuração típica de uma subestação de sistemas elétricos de potência. Na entrada da subestação, há duas linhas de transmissão (LT1 e LT 2). O esquema evidencia que, mediante adequadas conexões das chaves seccionadoras na subestação, são alimentados dois transformadores de potência (TR 1 e TR 2).
A partir dessas informações, julgue o próximo item.
A configuração da subestação é do tipo barra principal mais barra de transferência.
Provas
- Instalações ElétricasSubestações
- Proteção de Sistemas ElétricosProteção em Média Tensão
- Sistemas Elétricos de PotênciaDistribuição de Energia Elétrica
- Sistemas Elétricos de PotênciaTransmissão

A figura acima ilustra configuração típica de uma subestação de sistemas elétricos de potência. Na entrada da subestação, há duas linhas de transmissão (LT1 e LT 2). O esquema evidencia que, mediante adequadas conexões das chaves seccionadoras na subestação, são alimentados dois transformadores de potência (TR 1 e TR 2).
A partir dessas informações, julgue o próximo item.
O fechamento da chave seccionadora 2 possibilita a realização da manutenção no disjuntor da linha de transmissão LT 1 não sendo necessário se desligar nenhum dos outros disjuntores nem o barramento da subestação.
Provas

Com base na figura acima, que ilustra configurações de arranjo de circuito utilizado em sistemas de distribuição de energia elétrica, julgue o item a seguir.
A figura ilustra esquema típico de sistema de distribuição em arranjo radial com primário em anel.
Provas

Com base na figura acima, que ilustra configurações de arranjo de circuito utilizado em sistemas de distribuição de energia elétrica, julgue o item a seguir.
Uma das diferenças básicas entre o tipo de arranjo mostrado e um arranjo do tipo radial simples é que neste último os centros de carga são ligados por meio de um único alimentador conectado à saída da subestação.
Provas

Com base na figura acima, que ilustra configurações de arranjo de circuito utilizado em sistemas de distribuição de energia elétrica, julgue o item a seguir.
No esquema mostrado, 70% dos transformadores conectados aos alimentadores da subestação estão ligados a um único alimentador do arranjo.
Provas

O estado de operação e falha de um equipamento elétrico reparável é representado na forma de um modelo a dois estados de Markov (diagrama de estado) conforme figura apresentada acima. Nesse diagrama, λ e µ são a taxa de falhas e a taxa de reparos do equipamento, respectivamente, ambos com valores constantes. O tempo médio para falhas (MTTF) para esse equipamento foi apurado como igual a 10 anos, e o tempo médio para reparo (MTTR), igual à fração 1/365 anos.
A partir dessas informações, julgue o item que se segue.
Considerando 300 unidades similares desse equipamento em operação, 40, em média, falham durante um período de 10 anos.
Provas

O estado de operação e falha de um equipamento elétrico reparável é representado na forma de um modelo a dois estados de Markov (diagrama de estado) conforme figura apresentada acima. Nesse diagrama, λ e µ são a taxa de falhas e a taxa de reparos do equipamento, respectivamente, ambos com valores constantes. O tempo médio para falhas (MTTF) para esse equipamento foi apurado como igual a 10 anos, e o tempo médio para reparo (MTTR), igual à fração 1/365 anos.
A partir dessas informações, julgue o item que se segue.
A disponibilidade de um equipamento desse tipo é inferior a 98%.
Provas
Acerca de máquinas elétricas de corrente contínua (CC), julgue o próximo item.
As figuras I e II a seguir ilustram o circuito equivalente de uma máquina CC com campo separado e com campo paralelo, respectivamente.

Provas
- Transformadores e Máquinas ElétricasMáquinas Síncronas
- Transformadores e Máquinas ElétricasMáquina de Indução
Julgue o item a seguir, relativo a máquinas síncronas e assíncronas.
Considere a figura a seguir, que ilustra, para diferentes valores de potência ativa P1, P2 e P3 de uma máquina síncrona, as curvas da corrente de armadura em função da corrente de campo. Nesse caso, a região à esquerda da linha que indica fator de potência (fp) unitário corresponde a fp capacitivo, ao passo que a região à direita corresponde a fp indutivo.

Provas

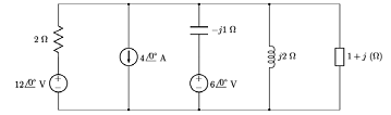
No circuito elétrico apresentado, que opera em regime permanente senoidal, a representação das fontes de tensão e de corrente é dada em termos dos valores de pico. De acordo com essas informações, julgue o item subsequente.
O valor de pico da tensão no indutor é menor que 6 V.
Provas
Caderno Container