Foram encontradas 50 questões.
Considere o circuito da figura abaixo.
Dados:
\( E_1 12v;\\E_2 = 5V;\\R_1 = 3k\Omega;\\R_2 = 2 k\Omega;\\R_3 = 5k\Omega; e\\L=138mH \)
Assinale a opção que apresenta a constante de tempo \( \tau \) do circuito.
Provas
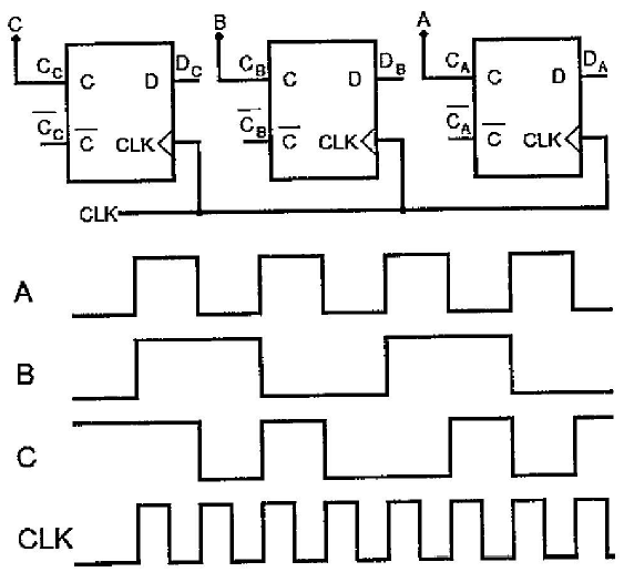
Considere o circuito digital abaixo composto por flip-flops tipo D e as formas de ondas dos sinais \( A \), \( B \), \( C \) e \( CLK \).

Analise as afirmativas abaixo, sabendo que as formas de onda acima serão geradas pelo circuito, e assinale a opção correta,
I. \( D_A = \overline{C}_A \)
II. O sinal \( D_B \) pode ser determinado como \( C_A\oplus C_B \).
III. O sinal \( D_C \), pode ser determinado como \( C_B.\overline{C}_C + \overline{B}.(C_A \oplus C_C) \).
Provas
Examine o diagrama abaixo.

Assinale a opção que apresenta função de transferência G(s) que possui a forma correspondente ao gráfico de magnitude do diagrama de Bode acima.
Provas
Considere o circuito abaixo, que contém um amplificador operacional ideal.

Assinale a opção que apresenta a função de transferência \( H(S) = E_o (S)/E_i(S) \).
Dados:
\( R_1 = 10k\Omega \)
\( R_2 = 100k\Omega;e \)
\( C=100 \mu F \)
Provas
Considere o sistema da figura abaixo.

Dada a função de transferência G(s) abaixo, calcule os valores de Kp de modo que o sistema seja estável e assinale a opção correta.
\( G(s) = \dfrac{2}{Sç33+5.s^2+4.s} \)
Provas
A respeito de sistemas de controle no espaço de estados, é correto afirmar que:
Provas
Examine o circuito abaixo.

Considere o circuito limitador acima, em que os diodos D1 e D2, em condução, possuem queda de tensão constante de 0,7 V e 0,8 V, respectivamente. Para uma tensão de entrada \( v_t(t)=5,5.sen(\omega.t) \), assinale a opção que apresenta o período de tempo, em porcentagem, em que O sinal não é limitado pelo circuito.
Dados:
sen(45º) \( \cong \) 0,71;
sen(60) \( \cong \) 0,87,
Provas
Considere os sinais \( F(t), f_1(t),f_2(t) \), suas respectivas Transformadas de Laplace \( F(s),F_1(s) \) e \( F_2(s) \), Os escalares \( a,a_1,a_2 \), e \( u(t) \) sendo a função degrau unitário. Analise as afirmativas abaixo e assinale a opção correta.
I. \( L[a_1.f_1(t) + a_2.f_2(t)]=a_1.F_1(s) + a_1.F(S) + a_2.F_2(s) \)
II. \( L[f(t-a).u(t-a)]=e^{a.t}.F(s), a\ge 0 \)
III. \( L[f(t/a)]=(1/a).F(a.s),a \ne 0 \)
IV. \( L[e^{-a.t}.f(t)]=F(S+a) \)
V. \( L[\dfrac{d}{dt}f(t)]=s.F(s)=f(0_) \)
Provas
Considere o circuito combinacional da figura abaixo

Determine as condições de entrada necessárias para gerar uma saída S=1 e assinale a opção correta.
Provas
Considere o sistema linear invariante no tempo descrito pela equação de diferenças abaixo.
\( y[n+2]-y[n+1]+0,21.y[n]=x[n+z]+0,32.x[n] \)
Sobre esse sistema, é correto afirmar que: F(z) z+0,32
Provas
Caderno Container