Foram encontradas 1.200 questões.
Os tipos de corrosão podem ser classificados quanto à morfologia, às suas causas ou aos seus mecanismos, aos fatores mecânicos, ao meio corrosivo e ao local de ataque. Assim, assinale a opção que apresenta exemplos de cada uma dessas formas de classificação, respectivamente.
Provas
Os processos de conformação mecânica permitem a obtenção de um produto final a partir da deformação plástica, alterando sua geometria. Assim, assinale a opção que apresenta o processo de conformação mecânica que permite a redução da seção transversal do metal, quando
esse passa entre rolos cilíndricos girantes.
Provas
O ensaio mais amplamente usado para a determinação das propriedades mecânicas dos materiais é o ensaio de tração. Sobre esse assunto, assinale a opção correta.
Provas
Assinale a opção que apresenta a característica da ligação metálica.
Provas
Qual tratamento térmico tem o objetivo fundamental de obtenção de uma estrutura martensitica?
Provas
Considere que uma liga ferro-carbono que se encontra imediatamente abaixo da temperatura eutetoide tenha fração mássica de ferrita total de 0,9 e cementita total de 0,1. A respeito da liga, assinale a opção que apresenta a composição aproximada de carbono.
Dados: percentual de peso de carbono da cementita = 6,7%, da ferrita = 0,022%, e a composição eutetoide = 0,76% de carbono.
Provas
Assinale a'opção que apresenta o efeito sobre a transição dúctil-frágil.
Provas
Sobre o tratamento termoquímico de nitretação liquida, também chamado de nitretação em banho de sal, coloque F (falso) ou V (verdadeiro) nas afirmativas abaixo, assinalando a seguir a opção correta.
( ) Somente aços-liga especiais podem ser submetidos a esse tratamento termoquímico.
( ) Após o tratamento, é uma prática comum a realização do tratamento térmico de têmpera.
( ) Uma das vantagens do tratamento é a elevada resistência à fadiga proporcionada aos aços.
( ) A faixa de temperatura utilizada no tratamento é de aproximadamente 500 a 575 ºC.
( ) Esse tratamento é o mais adequado dentre os processos de nitretação para a obtenção de camadas nitretadas com grande profundidade.
Provas
Com relação à fluência, assinale a opção correta.
Provas
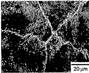
Um técnico em metalurgia precisa extrair informações da micrografia de uma liga de aço, como mostra a figura abaixo.

Com base na micrografia apresentada acima, é correto afirmar que se trata de uma liga:
Provas
Caderno Container