Foram encontradas 850 questões.
Os estágios utilizados por um transmissor digital para digitalizar um sinal utilizando uma modulação do tipo PCM (Pulse Code Modulation) são:
Provas
Observe a figura abaixo.

A figura acima representa um circuito lógico de variáveis de entrada A e B e salda Y. Marque a opção que representa esse circuito na forma de uma expressão booleana equivalente.
Provas
Observe o circuito abaixo.

Calcule o valor de ID e V0 mostrados no circuito acima e assinale a opção correta.
Dados: !$ R1 = 2 K \Omega;\,e !$
!$ R2 = 4 K \Omega !$
Provas
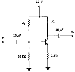
Considere o circuito abaixo.

Sabendo que a corrente no coletor Ic) é igual a 2,15 mA e a tensão entre coletor e emissor (Vce) é igual a 9,25 V, calcule os valores de R1 e Rc e assinale a opção correta.
Dados: !$ I_c \cong I_E !$
Provas
Segundo a especificação de um dispositivo fotossensível, seu correto funcionamento ocorrerá somente se a potência incidente nele for de, no mínimo, - 40 dBm. Assim, a potência mínima de recepção desse dispositivo será de:
Provas
Com relação aos transistores de junção bipolar, analise as afirmativas abaixo e assinale a opção correta.
I- O transistor de junção bipolar possui três regiões dopadas chamadas de emissor, base e coletor.
II- O transistor de junção bipolar é similar a dois diodos virados costa com costa.
III- O transistor de junção bipolar possui três junções, podendo ser produzido como transistores npn ou transistores pnp.
Provas
Considere um circuito com uma fonte de tensão alternada v(t) e uma indutância em série. É correto afirmar que a corrente iL(t) que passa pela indutância está:
Provas
Determine a potência média em um resistor de 5Q no qual passam duas correntes de mesma frequência dados por i1 = 3sen(t) e i2 = 5sen(t) e assinale a opção correta:
Provas
Um flip-flop é um circuito combinacional que pode ser utilizado para armazenar um bit de informação, podendo, dessa forma, ser utilizado como elemento de memória em um circuito digital. A tabela abaixo representa o estado de um flip-flop específico, onde E1 e E2 são as entradas e Q é a saída que corresponde ao estado deste flip-flop.
| E1 | E2 | Q |
| 0 | 0 | Mantém a salda |
| 1 | 0 | 1 |
| 0 | 1 | 0 |
| 1 | 1 | Não permitida |
Com base na tabela acima é correto afirmar que o flip-flop em questão é um:
Provas
Observe o circuito abaixo.

Sabendo que o· circuito acima utiliza dois transistores iguais e considerando !$ \beta = 50, V_{BE} = 0,7 V, R1 = 3M \Omega !$ e !$ R2 = 176 \Omega !$, é correto afirmar que a corrente /81é igual a:
Provas
Caderno Container