Foram encontradas 800 questões.
Assinale a opção que apresenta a correta definição de um transdutor.
Provas
Um transformador ideal com núcleo de ferro tem 1200 espiras no primário e 600 espiras no secundário. Uma carga de 20 !$ Ω !$ é inserida no enrolamento secundário. Calcule a resistência refletida equivalente, medida no enrolamento primário, e assinale a opção correta.
Provas
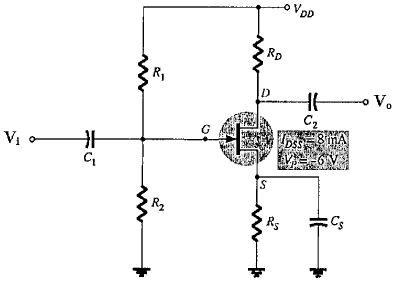
Observe o circuito abaixo:

Calcule a tensão de polarização VDS do circuito e assinale a opção correta.
Dados: !$ R_1=15 \, k Ω !$;
!$ R_2=1\, kΩ !$;
!$ R_D=3,3 \, kΩ !$;
!$ R_S=2\, kΩ !$;
!$ V_{DD}=16 \, V !$; e
!$ I_D=I_{DSS}\left(1-{\large{V_{GS} \over V_P}} \right)^2 !$
Provas
Em alguns circuitos lógicos, não existe salda especificada para certas combinações de entrada (don't care). A partir da tabela da verdade abaixo, assinale a opção que apresenta a expressão lógica simplificada da salda S.
Dado: x representa condições de irrelevância (don't care).

Provas
Analise o circuito a seguir, onde o diodo Zener apresenta tensão de ruptura de Zener de 10 V:

Calcule a corrente no diodo Zener e assinale a opção correta.
Dados: !$ V_S=12 \, V !$;
!$ R_S=1 \, k Ω !$; e
!$ R_L=8\, k Ω !$.
Provas
Analise o circuito a seguir:

Calcule o valor da corrente no coletor do transistor e assinale a opção correta.
Dados: !$ V_{BE}=0,7 \, V !$ ; e
!$ \beta=120 !$.
Provas
Analise o circuito lógico abaixo e coloque F (falso) ou V (verdadeiro) nas afirmativas a seguir.

( ) Quando A = 0, a salda S sempre terá sinal lógico ALTO.
( ) O valor de S será sempre igual ao valor de C.
( ) Quando A= 0, a salda S será igual ao valor de C.
( ) Quando A= 0 e C = 1, a salda S será sempre igual a 1 independente do valor de B.
( ) Quando C = 1 e B = 1, a salda S será sempre igual ao valor de A.
Assinale a opção correta.
Provas
Com relação à Lei de Ohm e potência, assinale a opção INCORRETA.
Provas
Calcule o resultado da expressão FB16 - 11102 e assinale a opção correta.
Provas
Com relação às aplicações do diodo, assinale a opção correta.
Provas
Caderno Container