Magna Concursos

Foram encontradas 100 questões.

2743230 Ano: 2020
Disciplina: Engenharia Eletrônica
Banca: Marinha
Orgão: Marinha

Qual tipo de memória é do tipo não volátil e permite alteração da programação sem desconexão do circuito integrado?

 

Provas

Questão presente nas seguintes provas
2743229 Ano: 2020
Disciplina: Engenharia Eletrônica
Banca: Marinha
Orgão: Marinha

Assinale a opção que apresenta a forma de onda correspondente à saída Q do flip-flop tipo D vista na figura abaixo em função dos sinais aplicados nas entradas.

Enunciado 3520709-1

 

Provas

Questão presente nas seguintes provas
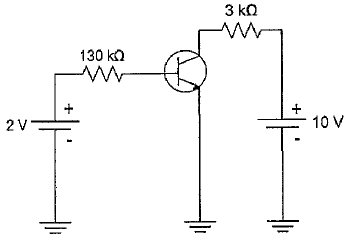
2743228 Ano: 2020
Disciplina: Engenharia Eletrônica
Banca: Marinha
Orgão: Marinha

No circuito da figura abaixo, considere a tensão entre base e emissor para o transistor tipo NPN igual a 0,7 V e seu ganho de corrente !$ \beta !$ igual a 100. Assinale a opção que apresenta, respectivamente, a corrente de base (IB) e a tensão entre coletor e emissor (VcE).

Enunciado 3520708-1

 

Provas

Questão presente nas seguintes provas
2743227 Ano: 2020
Disciplina: Engenharia Eletrônica
Banca: Marinha
Orgão: Marinha

Converta para o sistema decimal o número representado no sistema binário por 1101102, em seguida, assinale a opção que apresenta os respectivos algarismos no código BCD 8421.

 

Provas

Questão presente nas seguintes provas
2743226 Ano: 2020
Disciplina: Engenharia Eletrônica
Banca: Marinha
Orgão: Marinha

Em relação à automação em sistemas industriais, coloque V (Verdadeiro) ou F (Falso) nas afirmativas abaixo e, em seguida, assinale a opção que apresenta a sequência correta.

( ) Um sensor nem sempre tem as características elétricas necessárias para ser utilizado em sistema de controle. Normalmente o sinal de saída deve ser manipulado antes da sua leitura no sistema de controle.

( ) São características desejáveis inerentes aos transdutores: exatidão, precisão e linearidade.

( ) Alguns dos padrões mais utilizados para transmissão de sinais analógicos são: 4 a 20 mA; 0 a 20 mA e 0 a 10 V. Para transmissão de sinais digitais utilizam-se protocolos de comunicação para redes industriais (fieldbus).

 

Provas

Questão presente nas seguintes provas
2743225 Ano: 2020
Disciplina: Engenharia Elétrica
Banca: Marinha
Orgão: Marinha

Em relação aos elementos presentes em uma automação de qualquer natureza, assinale a opção que apresenta a sequência correta.

I - São dispositivos que modificam uma variável controlada. Recebem um sinal proveniente do controlador e agem sobre o sistema controlado.

II - São dispositivos sensíveis a alguma forma de energia do ambiente que pode ser luminosa, térmica, cinética, relacionando informações sobre uma grandeza que precisa ser medida, como: temperatura, pressão, velocidade, corrente, aceleração, posição, etc.

IlI - São dispositivos usados para transformar uma grandeza qualquer em outra que pode ser utilizada nos dispositivos de controle.

 

Provas

Questão presente nas seguintes provas
2743224 Ano: 2020
Disciplina: Engenharia Elétrica
Banca: Marinha
Orgão: Marinha

Qual é o custo aproximado da utilização por 1 hora de um motor cuja potência é 4 hp, se a tarifa da companhia elétrica é de 1 O centavos por kWh

 

Provas

Questão presente nas seguintes provas
2743223 Ano: 2020
Disciplina: Engenharia Elétrica
Banca: Marinha
Orgão: Marinha

Uma bateria de 12V e 500 mAh é utilizada para alimentar um equipamento com corrente de 10 mA. Por quantas horas a bateria vai alimentar o equipamento de forma adequada?

 

Provas

Questão presente nas seguintes provas
2743222 Ano: 2020
Disciplina: Engenharia Elétrica
Banca: Marinha
Orgão: Marinha

O circuito abaixo representa uma carga (RL) ligada a um circuito equivalente de Thévenin, cujos valores da resistência (RTh) e tensão (ETh) de Thévenin estão definidos. Calcule o valor da resistência da carga (RL), para que a potência transferida a essa carga seja máxima e assinale a opção correta.

Enunciado 3520759-1

 

Provas

Questão presente nas seguintes provas
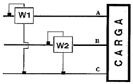
2743221 Ano: 2020
Disciplina: Engenharia Elétrica
Banca: Marinha
Orgão: Marinha

Dois wattímetros, W1 e W2, conectados corretamente para medir potência trifásica (3-cp) têm uma leitura de +1200 W e +900 W, respectivamente. Assinale a opção que apresenta a potência total consumida pela carga trifásica.

Enunciado 3520757-1

 

Provas

Questão presente nas seguintes provas