Foram encontradas 750 questões.
Em relação aos protocolos TCP e UDP, assinale a opção correta.
Provas
Associe as aplicações da internet com seus respectivos protocolos da camada de aplicação e assinale a opção correta.
Aplicação:
I- Telefonia por Internet
lI- Correio eletrônico
IlI- Web/ Multimídia em fluxo continuo
IV- Transferência de arquivos
V- Acesso a terminal remoto
Protocolo de camada de aplicação
( ) Telnet
( ) FTP
( ) SIP, RTP ou proprietária
( ) SMTP
( ) HTTP
Provas
De acordo com Alencar (2007), encontram-se os seguintes tipos de antena, EXCETO:
Provas
Observe o circuito abaixo:

Calcule a corrente no resistor R2 e marque a opção correta.
Provas
Com relação à lei de Ohm, analise as afirmativas abaixo.
I - A corrente num circuito é igual à tensão aplicada ao circuito multiplicada pela resistência do circuito.
II - A resistência de um circuito é igual à tensão aplicada ao circuito dividida pela corrente que passa no circuito.
IlI- A tensão aplicada a um circuito é igual ao produto da corrente pela resistência do circuito.
Assinale a opção correta.
Provas
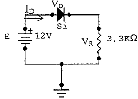
Analise o circuito abaixo.

Os valores de ID , VR e V0 são, respectivamente:
Provas
Calcule o comprimento de onda de um sinal de rádio que se propaga no vácuo com uma frequência de 2,5GHz e assinale a opção correta.
Provas
Calcule, em metros, o raio de um elipsoide de Fresnel de 1ª ordem para um obstáculo localizado a uma mesma distância da antena transmissora e receptora, em um radioenlace de 400m que opera na faixa de frequência de 300 MHz, e assinale a opção correta.
Provas
Na estrutura de quadro Ethernet, qual campo tem como objetivo permitir a detecção de algum erro de bit no quadro recebido?
Provas
Calcule a potência recebida Pr para um sinal transmitido com potência Pt de 1 O dBm e atenuação total de 40 dB e assinale a opção correta.
Provas
Caderno Container