Foram encontradas 170 questões.
Observe a figura abaixo:

Sabe-se que o quadripolo da figura acima é representado pelos parâmetros Z11 = 50\( \Omega \), Z12 = Z21 = 40\( \Omega \) e Z22 = 60\( \Omega \).Determine o valor dos seus resistores R1, R2 e R3, respectivamente, e assinale a opção correta.
Provas
Observe a figura a baixo.

O bloco A de massa 20Kg está ligado ao bloco B de massa 10Kg por meio de uma mola. Os blocos foram empurrados um contra o outro, comprimindo a mola pela ação de duas forças de mesma intensidade F = 60N e de sentidos opostos e em seguida colocados sobre a superfície horizontal, conforme indicado na figura acima. Nessas circunstâncias, os blocos encontram-se em repouso. Sabendo-se que o coeficiente de atrito estático entre os blocos e a superfície é \( \mu_e = 0,4 \) e que \( g = 10m/s^2 \), é correto afirmar que se as forças F forem retiradas, simultaneamente:
Provas
O Instituto de Pesquisas da Marinha (IPQM) dedica-se a projetos que assegurem a independência tecnológica do Brasil, o desenvolvimento da base industrial de Defesa e o robustecimento da Força Naval, priorizando a pesquisa nos campos de sistema de armas, de sensores, de guerra eletrônica, de guerra acústica e de sistemas de monitoramento e controle. Durante um experimento de bancada realizado por este centro, observou-se que a posição de uma partícula que se movia ao longo de um eixo X variava em função do tempo t e era dada por \( x = t^3 - 3t^2 - 9t + 5 \), em que X é medido em metros e t em segundos. Considerando que o eixo X tinha como referência o centro da bancada sobre a qual era realizado o experimento e que essa bancada tinha dimensões suficientes para comportar todo o movimento da partícula, é correto afirmar corretamente acerca do movimento dessa partícula que:
Provas
Considere que durante uma partida de futebol, um atleta chute uma bola, de massa m = 0,60 kg, que está inicialmente em repouso. O pé do jogador fica em contato com a bola por \( 3 \times10^{-3}s \) e a força do chute é dada por \( F(t) = [(8,0 \times 10^6)t - (2,0 \times 10^9)t^2]N \) , para \( 0 \ge t \le 3,0 \times 10^{-3} s \), em que t está em segundos. Seja J o valor do impulso sobre a bola devido ao chute do jogador e V a velocidade da bola imediatamente após perder o contato com o pé do jogador, então o valor dos módulos de J e V são, respectivamente:
Provas
Observe a figura a baixo.

Analise as afirmativas abaixo, relacionadas às transformações de um gás ideal representadas na figura acima e assinale a opção correta.
I- Na transformação AC, o sistema realiza trabalho e recebe calor.
II- Às transformações AC e BC têm a mesma variação de energia interna.
III- Na transformação BC, o trabalho é nulo e o sistema cede calor à vizinhança.
Provas
Observe a figura abaixo:

Na figura representada acima, um feixe de luz monocromática é refratado no ponto A da interface entre o material 1, cujo Índice de refração é n1 = 1,e o material 2, cujo índice de refração é n2. O feixe incidente faz um ângulo \( \theta_1 \) com a normal, a qual é representada pela reta tracejada e refrata no material 2 sob um ângulo de refração \( \theta_2 \) no ponto A. Se \( sen (\theta_1) = { \large \sqrt 3 \over 2} \) e \( sen (\theta_2) = 0,5 \), “então o índice de refração n2 do material 2 é:
Provas
A partir de um ponto P localizado na superfície da terra, um projétil de massa m é disparado de uma pistola com velocidade inicial de módulo igual a V0 e em ângulo \( \theta \) (ascendente) em relação à horizontal. Após um intervalo de tempo \( \Delta t \), o projétil toca o solo a uma distância \( \Delta d \) do ponto de origem do disparo. Desprezando a resistência do ar, analise as afirmativas abaixo acerca do movimento realizado por esse projétil e marque a opção correta.
I- No ponto de altura máxima, a velocidade resultante do projétil será nula.
II- A aceleração do projétil será nula no ponto de altura máxima.
III- A única força atuante no projétil durante todo o movimento é o seu peso.
IV- O alcance horizontal que o projétil pode atingir não depende do valor da sua massa m.
V- A componente horizontal da velocidade do projétil varia de ponto a ponto na trajetória, porém sua componente vertical é invariável.
Assinale a opção correta.
Provas
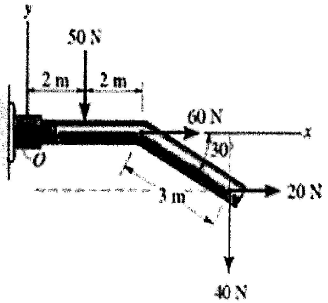
Observe a figura a baixo.

Determine, em relação ao ponto O, o momento das forças de 50N, 60N, 20N e 40N, respectivamente, que atuam na estrutura representada pela figura acima e assinale a opção correta.
Provas
Observe o circuito abaixo:

Considerando o circuito representado pela figura acima, calcule o valor da resistência elétrica R entre os pontos a e b, sabendo que a potência dissipada no resistor de \( 5 \ \Omega \) é de 45,0 W e que a fonte de 42 V tem resistência interna desprezível, e assinale a opção correta.
Provas
Utilizando a transformada de Laplace na equação \( y" + y'- 2y = t \), encontramos uma equação em função de \( t \). Assinale a opção que representa essa equação, considerando, \( y(0) = 0 \), \( y'(0) = 1 \).
Provas
Caderno Container