Foram encontradas 900 questões.
Em um amplificador de tensão, se a resistência de carga do segundo estágio abrir, o ganho de tensão do primeiro estágio deverá:
Provas
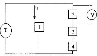
Observe o circuito abaixo.

Com base no circuito representado acima e sabendo que os valores das resistências 1,2,3 e 4 são, respectivamente, 10K!$ Ω !$, 2,2K!$ Ω !$, 1K!$ Ω !$ e 16,8K!$ Ω !$ e que o valor da tensão no voltímetro T é igual a 20V, calcule , a tensão indicada no voltímetro V e o valor de 11, e assinale a opção correta.
Provas
Uma forma de se obter mais corrente em um circuito é fazendo uso de reforçador de corrente, o qual é um transistor:
Provas
Um amplificador tipo 741C não pode operar sem:
Provas
Disciplina: TI - Organização e Arquitetura dos Computadores
Banca: Marinha
Orgão: Marinha
Converta o número octal 43574(8) em binário e assinale a opção correta.
Provas
Analise o circuito de atraso a seguir.

Calcule a frequência de corte desse circuito e assinale a opção correta.
Provas
Para cada transistor, existe uma região de operação nas curvas que assegura que os limites para o transistor serão respeitados e que o sinal de saída conterá um mínimo de distorção. Assim, assinale a opção que apresenta em que documento estão lançados esses limites de operação do transistor.
Provas
Um computador digital é uma combinação de circuitos e dispositivos digitais que podem realizar uma sequência programada de operações com mínima interferência humana.Sabendo que todos os computadores têm cinco elementos ou unidades essenciais, marque a opção que apresenta esses cinco elementos.
Provas
Quase todos os sistemas de comunicação utilizam filtros, os quais permitem a passagem de uma faixa de frequência e rejeitam outra, podendo ser passivos ou ativos. Assim, assinale a opção que apresenta quantos e quais são os tipos de filtros utilizados nos sistemas de comunicação.
Provas
Disciplina: TI - Organização e Arquitetura dos Computadores
Banca: Marinha
Orgão: Marinha
Convertendo os números binários 011102 e 100, 110012 em decimal, encontra-se, respectivamente:
Provas
Caderno Container