Foram encontradas 900 questões.
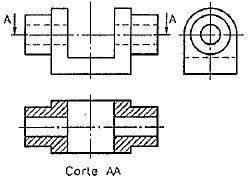
Observe as vistas ortográficas abaixo.

Assinale a opção que apresenta a vista que contém a indicação do plano de corte.
Provas
Segundo Chiaverini (1986), marque a opção que identifica corretamente os tipos de juntas soldadas representadas nas figuras abaixo:

Provas
Observe o paquímetro abaixo.

No detalhe do paquímetro mostrado na figura acima, cada divisão da escala fixa corresponde a 1,00 mm, e sua resolução é 0,02 mm. Sendo assim, calcule a medida que se lê, em milímetros, e assinale a opção correta.
Provas
Considerando a forma com que é fornecida energia do fluido que é transportado, são classificadas como bombas de deslocamento positivo:
Provas
Com relação aos ensaios de dureza, é correto afirmar que:
Provas
Observe o paquímetro abaixo.

No detalhe do paquímetro mostrado na figura acima, cada divisão da escala fixa corresponde a 0, 025 polegadas, e sua resolução é 0,001 polegadas. Sendo assim, calcule a medida que se lê, em polegadas, e assinale a opção correta.
Provas
Acerca da montagem de tubulações, é INCORRETO afirmar que:
Provas
As juntas de expansão são peças deformáveis que se intercalam nas tubulações com a finalidade de:
Provas
Assinale a opção que apresenta os elementos essenciais de uma instalação de refrigeração mecânica por meio de vapores.
Provas
As ligações rosqueadas são um dos mais antigos meios de ligação usados para tubos. Para a ligação das varas de tubo entre si, empregam-se dois tipos de peças: as luvas e uniões, todas com rosca interna para acoplar com a rosca externa da extremidade dos tubos. Sendo assim, recomendam-se, para tubulações de qualquer tipo de aço, de acordo com a prática industrial usual:
Provas
Caderno Container