Foram encontradas 50 questões.
Analise o circuito a seguir.

Com relação a esse circuito, calcule a tensão Vp, e assinale a opção correta.
Provas
Em relação aos transistores bipolares, assinale a opção correta.
Provas
Um amplificador ca possui um ganho de tensão de 150 na banda média. Se a frequência de corte inferior for f1 = 15Hz e a frequência de corte superior for f2 = 150kHz, qual é o ganho aproximado de tensão em 15Hz, desconsiderando as casas decimais?
Provas
Analise o circuito a seguir.

O circuito acima executa a sintonia de um receptor de rádio simples. Sendo assim, calcule a frequência de ressonância desse circuito e assinale a opção correta.
Provas
Analise a figura a seguir.

Assinale a opção que corresponde à saída f do MUX na figura acima, em função dos bits de seleção S2, S1 e S0.
Provas
O dispositivo que converte uma condição física do elemento sensor em um sinal elétrico para ser utilizado pelo CLP é chamado de:
Provas
Sabendo-se que os índices são o tipo de representação de cada número, calcule o resultado da expressão (21D)16-(01011)2, em decimal, e assinale a opção correta.
Provas
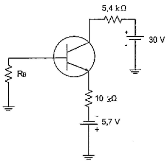
Observe o circuito a seguir.

Com relação ao circuito acima, qual a tensão coletor-emissor e qual o tipo de polarização do circuito?
Provas
A expressão !$ S=\bar{A}B.(\bar{D}+D\bar{C})+(A+\bar{A}CD).B !$ também pode ser respresentada pela expessão
Provas
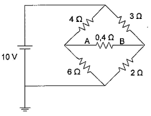
Analise o circuito a seguir.

Com relação ao circuito acima, calcule a corrente no resistor de 0,4!$ Ω !$, entre os pontos A e B da ponte de resistores, e assinale a opção correta.
Provas
Caderno Container