Magna Concursos

Foram encontradas 50 questões.

2193971 Ano: 2017
Disciplina: Engenharia Eletrônica
Banca: Marinha
Orgão: Marinha

Um gerador síncrono de 50Hz movido a diesel produz 50Hz quando opera a 300 rpm. Quantos polos esse gerador possui?

 

Provas

Questão presente nas seguintes provas
2193970 Ano: 2017
Disciplina: Engenharia Elétrica
Banca: Marinha
Orgão: Marinha

Observe o circuito a seguir.

Enunciado 3392123-1

Calcule a corrente e a resistência de Norton (IN e RN), respectivamente, do circuito acima, e assinale a opção correta.

 

Provas

Questão presente nas seguintes provas
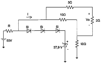
2193969 Ano: 2017
Disciplina: Engenharia Eletrônica
Banca: Marinha
Orgão: Marinha

Analise o circuito a seguir.

Enunciado 3392122-1

Considere que Si representa um diodo de Silício. Com relação ao circuito acima, calcule a tensão Vo e assinale a opção correta.

 

Provas

Questão presente nas seguintes provas
2193968 Ano: 2017
Disciplina: Engenharia Eletrônica
Banca: Marinha
Orgão: Marinha

Analise a figura a seguir.

Enunciado 3392121-1

Na figura acima, que códigos binários devem ser selecionados no MUX e DEMUX, respectivamente, para que se coloque a informação contida na entrada I2 do MUX na salda D1 do DEMUX?

 

Provas

Questão presente nas seguintes provas
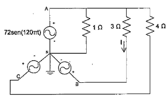
2193967 Ano: 2017
Disciplina: Engenharia Elétrica
Banca: Marinha
Orgão: Marinha

Observe a figura a seguir.

Enunciado 3392120-1

Com relação ao circuito acima, calcule a corrente |, onde o neutro permite ao usuário o acesso a dois valores de tensão, de fase e de linha, e assinale a opção correta.

 

Provas

Questão presente nas seguintes provas
2193966 Ano: 2017
Disciplina: Engenharia Eletrônica
Banca: Marinha
Orgão: Marinha

Qual grupo de dispositivos lógicos é o mínimo necessário para construir um contador síncrono de módulo 64?

 

Provas

Questão presente nas seguintes provas
2193965 Ano: 2017
Disciplina: Engenharia Eletrônica
Banca: Marinha
Orgão: Marinha

Analise o circuito a seguir.

Enunciado 3392118-1

Assinale a opção que apresenta a expressão lógica equivalente à função f (A, B, C, D, E) em função das entradas A, B, C, D e E no circuito acima.

 

Provas

Questão presente nas seguintes provas
2193964 Ano: 2017
Disciplina: Engenharia Elétrica
Banca: Marinha
Orgão: Marinha

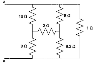
Analise o circuito a seguir.

Enunciado 3392117-1

Calcule o valor da resistência equivalente entre os pontos A e B e a tensão de saída Vo do circuito acima, respectivamente, e assinale a opção correta.

 

Provas

Questão presente nas seguintes provas
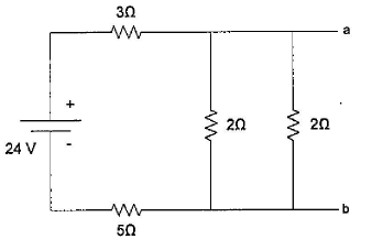
2193963 Ano: 2017
Disciplina: Engenharia Elétrica
Banca: Marinha
Orgão: Marinha

Analise o circuito abaixo.

Enunciado 3392116-1

Com relação a esse circuito, calcule a resistência equivalente entre os pontos A e B e assinale a opção correta.

 

Provas

Questão presente nas seguintes provas
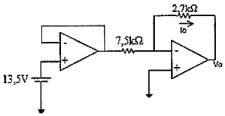
2193962 Ano: 2017
Disciplina: Engenharia Eletrônica
Banca: Marinha
Orgão: Marinha

Analise o circuito a seguir.

Enunciado 3392115-1

Assinale a opção que identifica corretamente o tipo de circuito acima representado e a corrente de salda (Io), respectivamente.

 

Provas

Questão presente nas seguintes provas