Foram encontradas 900 questões.
Assinale a opção que apresenta apenas componentes principais da alvenaria estrutural.
Provas
A norma técnica NBR 6118:2014 - Projeto de Estruturas de Concreto-Procedimento, da Associação Brasileira de Normas Técnicas (ABNT), estabelece que, para garantir o cobrimento mínimo das peças estruturais, o projeto e a execução devem considerar o cobrimento nominal, que é o cobrimento mínimo acrescido da tolerância de execução. Assim, as dimensões das armaduras e os espaçadores devem respeitar os cobrimentos nominais. De acordo com a referida norma técnica, qual é o cobrimento nominal adequado para uma viga, em concreto armado, considerando-se uma tolerância de 10mm e uma classe de agressividade ambiental igual a I (agressividade fraca)?
Provas
Dentre as diversas especialidades existentes em um canteiro de obras, existe um profissional responsável pelas seguintes tarefas: Controlar a entrada e saída de material requisitado pelo pessoal da obra, controlar a contagem do material entregue, guardar equipamentos e ferramentas, armazenar de forma organizada o que lhe for entregue, e alertar quando o estoque de alguns materiais chegar ao limite crítico. Essas tarefas citadas são de responsabilidade do:
Provas
Qual dos itens a seguir NÃO consta em um relatório de Sondagem a Percussão (SPT)?
Provas
No movimento de terra deve-se considerar o empolamento. Quando se move a terra do seu lugar natural, o seu volume varia. Se o empolamento de argila seca for de 40%, isso significa que 100m3 de argila, no estado natural (antes da escavação), encherá um espaço de quantos metros cúbicos no estado solto (depois de escavado)?
Provas
Considerando-se as lajes dos edifícios residenciais em alvenaria estrutural, assinale a opção que apresenta, exclusivamente, cargas permanentes normalmente atuantes.
Provas
Com relação aos planos de projeção, quantas posições diferentes um ponto pode ocupar?
Provas
Com relação às especificações dos cordões de soldas por fusão (a arco ou a gás) em desenho mecânico, é correto afirmar que:
Provas
No seguinte exemplo de indicação de um parafuso: M15 x 50, a letra M, o número 15 e o número 50 representam, respectivamente:
Provas
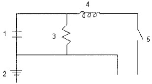
Observe a figura abaixo.

Identifique os elementos no circuito elétrico ilustrativo acima e assinale a opção correta.
Provas
Caderno Container