Foram encontradas 50 questões.
Observe a figura abaixo.

A figura acima representa o gráfico de uma tensão v(t) que varia com o tempo.
Qual é o valor médio da tensão, em volts, no intervalo de tempo entre 0 e 6 segundos?
Provas
Qual é a representação decimal do número binário 101,01?
Provas
Observe a figura abaixo.

A figura acima representa um flip-flop JK mestre-escravo, que apresenta inicialmente os seguintes níveis lógicos: J = 0, K = 1, CK = 1 e Q = 1.
Qual das opções abaixo apresenta a sequência correta das operações necessárias para alterar a saída Q para o nível lógico "0"?
Provas
Qual das opções abaixo representa uma identidade à expressão (A+B) . (A+C) ?
Provas
Observe a figura abaixo.

A figura acima representa um circuito digital combinacional de duas variáveis. Assinale a opção que apresenta a função lógica S deste circuito.
Provas
Observe o circuito representado na figura abaixo.

No circuito representado acima, as impedâncias Z são idênticas, alimentadas por tensões de 440 volts (valor eficaz), conforme indicado.
Qual é o módulo da tensão Vs, em volts, sobre cada impedância?
Provas
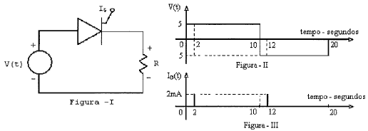
Observe as figuras I, II e III representadas abaixo.

A figura I representa um circuito que utiliza um SCR como elemento retificador, II representa a forma de onda da tensão de alimentação V(t) e a III a corrente de disparo IG aplicada no SCR.
Considerando que a corrente IG é suficiente para disparar o SCR e que V(t) é inferior à tensão de avalanche direta do dispositivo, assinale a opção que apresenta a correta forma de onda obtida para a tensão VR na carga R.
Provas
Observe a figura abaixo.

A figura acima representa um circuito retificador de onda completa, com as seguintes características:
- Tensão da alimentação no primário V1 = 200 volts (valor de pico) / 60Hz;
- Relação de transformação do transformador ideal (N1/N2) = 10:1;
- Resistência da carga RL = 1 K!$ \Omega !$; e
- D1, D2, D3 e D4 são diodos reais de silício.
Em relação ao circuito apresentado acima, é correto afirmar que a tensão obtida sobre a carga RL
Provas
Em relação às configurações básicas dos amplificadores com transistores bipolares, é correto afirmar que:
Provas
Observe a figura a seguir.

A figura acima representa um circuito que utiliza um amplificador operacional ideal.
Em relação ao circuito acima, pode-se afirmar que
Provas
Caderno Container