Foram encontradas 1.250 questões.
Observe os símbolos apresentados nas figuras 1 e 2, a seguir.

Estas figuras indicam que o desenho técnico está representado em que diedros, respectivamente?
Provas
Observe a figura a seguir.

Assinale a opção que apresenta a ordenada y, com arredondamento até a segunda casa decimal, do centro de gravidade da figura acima.
Provas
Observe a figura a seguir.

A barra de aço da figura acima, tem seção transversal de área A= 10cm2 e comprimento L = 1m. Qual será a deformação da barra (!$ δ !$), em cm, quando solicitada por uma carga axial P = 200kN, sabendo-se que E= 200 GPa?
Provas
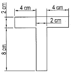
Observe a figura a seguir.

Supondo que a figura acima represente a seção transversal de uma viga de aço de 200cm de comprimento, assinale a opção que apresenta o peso dessa viga, com arredondamento até a primeira casa decimal (y = 7850 kgf/m3)
Provas
O metal base pode se liquefazer na região da solda assim como o material de adição. Dentre as opções abaixo, assinale a que apresenta o processo de soldagem de fase líquidalíquida.
Provas
Um navio tem as seguintes características: comprimento de 510 pés, boca de 76 pés, calado moldado de 30 pés e coeficiente da seção a meia nau (Cx) de 0,95. Qual a área da seção a meia nau (Ax) do navio, para este calado?
Provas
Qual das opções abaixo representa a relação entre a média aritmética (!$ \overline{x} !$), a média geométrica (G) e a média harmônica (H)?
Provas
Quantos múltiplos de 3 existem entre 100 e 600?
Provas
Analise as variáveis X e Y apresentadas na tabela a seguir.
| x | 1 | 3 | 4 | 6 | 8 | 9 | 11 | 14 |
| y | 1 | 2 | 4 | 4 | 5 | 7 | 8 | 9 |
Dados:!$ Σ !$ (x-!$ \overline{x} !$) . (Y-!$ \overline{y} !$) = 84
!$ Σ !$ (x-!$ \overline{x} !$) 2 = 132
!$ Σ !$ (Y-!$ \overline{y} !$) 2 = 56
Qual é o coeficiente da correlação linear entre as variáveis acima?
Provas
Correlacione as fases de um trabalho estatístico as suas definições e assinale a opção correta.
FASES
I - Questionário
II - Coleta direta
III- Exposição dos resultados
IV - Interpretação dos fatos
V - Coleta indireta
DEFINIÇÕES
( )Consiste na apresentação por meio de tabelas ou gráficos após apuração dos dados estatísticos.
( )Instrumento por meio do qual se faz a coleta das unidades estatísticas.
( )Consiste na observação da parte dos elementos ou elementos semelhantes.
( )Consiste na observação de todos os elementos que devem entrar no trabalho.
( )Avaliação simples da intensidade do fenômeno intensidade do fenômeno mais na experiência e habilidade do avaliador do que em dados concretos.
( )Consiste na avaliação, pelo técnico, de quadros ou gráficos estatísticos, onde este extrai as conclusões.
Provas
Caderno Container