Foram encontradas 1.250 questões.
Qual das opções apresenta um circuito utilizado para a demodulação de sinais modulados em amplitude com banda lateral dupla?
Provas
Considerando a propagação de uma onda eletromagnética no vácuo, o que fazer para diminuir o comprimento de onda?
Provas
Analise os circuitos das figuras "A" e "B" a seguir.

Sabendo que os circuitos das figuras acima foram empregados de tal forma que as saídas da fig. "A* foram inseridas na fig. "B'!, conforme demonstrado, quais os valores das entradas de 1A a 6A, na fig. "A", para que a saída "S", na fig. "B", seja igual a 1?
Provas
Observe o circuito abaixo,

Sabendo que a diferença de potencial entre os pontos A e B é de 50V, qual a tensão sobre o resistor de 8\( \Omega \)?
Provas
Observe o circuito a seguir,

Com as entradas J e K no nível lógico 1, o que acontecerá com as saídas Q e \( \bar{Q} \) do dispositivo acima, quando ocorrer o pulso de clock?
Provas
Observe o esquema a seguir.

O esquema acima corresponde a que expressão "booleana"?
Provas
Analise o circuito abaixo.

Qual a corrente total da linha principal, a tensão que entra em cada aparelho e a resistência total do circuito, respectivamente?
Provas
Assinale a opção que completa corretamente as lacunas da sentença abaixo.
"Para usar um amperímetro como multímetro, deve-se associar em um de valor comparado com sua resistência interna”.
Provas
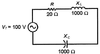
Observe o circuito a seguir.

Uma tensão alternada de 100V é aplicada ao circuito ressonante série da figura acima. Qual a potência real consumida na ressonância?
Provas
Observe o circuito a seguir.

Como ficará a expressão do circuito acima após a simplificação?
Provas
Caderno Container