Magna Concursos

Foram encontradas 1.250 questões.

69079 Ano: 2007
Disciplina: Engenharia Elétrica
Banca: Marinha
Orgão: Marinha

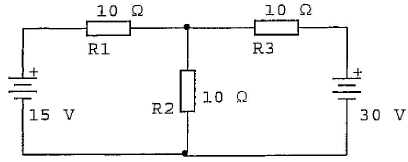
Analise o circuito a seguir.

Enunciado 3347956-1

Qual é a potência dissipada em R2, no circuito acima?

 

Provas

Questão presente nas seguintes provas
69078 Ano: 2007
Disciplina: Engenharia Elétrica
Banca: Marinha
Orgão: Marinha

A figura de LISSAJOUS é uma técnica de medição com osciloscópio utilizada para

 

Provas

Questão presente nas seguintes provas
69077 Ano: 2007
Disciplina: Engenharia Elétrica
Banca: Marinha
Orgão: Marinha

Um técnico deseja medir a tensão de linha de uma tomada trifásica, a corrente de um controle remoto e a tensão de uma bateria alcalina. Quais as escalas mais adequadas para o multímetro digital em cada medição?

 

Provas

Questão presente nas seguintes provas
69076 Ano: 2007
Disciplina: Engenharia Elétrica
Banca: Marinha
Orgão: Marinha

Um circuito LC é composto por um indutor de 100 mH em paralelo com um capacitor de 10 uF. A frequência de ressonância desse circuito é de, aproximadamente

 

Provas

Questão presente nas seguintes provas
69075 Ano: 2007
Disciplina: Engenharia Eletrônica
Banca: Marinha
Orgão: Marinha

Quanto ao detetor de envoltória, assinale a opção INCORRETA.

 

Provas

Questão presente nas seguintes provas
69074 Ano: 2007
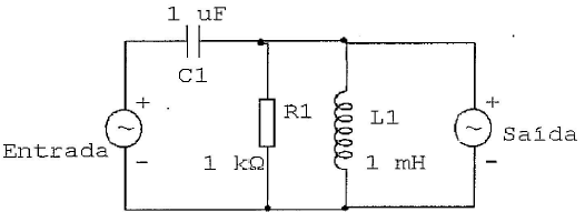
Disciplina: Engenharia Elétrica
Banca: Marinha
Orgão: Marinha

Analise o circuito a seguir.

Enunciado 3347951-1

O circuito acima corresponde a um:

 

Provas

Questão presente nas seguintes provas
69073 Ano: 2007
Disciplina: Engenharia Eletrônica
Banca: Marinha
Orgão: Marinha

Correlacione os circuitos às suas respectivas funções e assinale, a seguir, a opção que apresenta a sequência correta.

CIRCUITOS

FUNÇÕES

I- Oscilador

( ) Amplifica o sinal de entrada.

II- Circuito em ponte

( ) Gerador de Sinais.

III- Filtro

( ) Permite a retificação de onda completa.

IV- Emissor comum

( ) Realiza temporização.

( ) Reduz a ondulação de saída do Retificador.

 

Provas

Questão presente nas seguintes provas
69072 Ano: 2007
Disciplina: Engenharia Elétrica
Banca: Marinha
Orgão: Marinha

Para medir a tensão e a corrente em determinado componente eletrônico, deve-se usar, respectivamente:

 

Provas

Questão presente nas seguintes provas
69071 Ano: 2007
Disciplina: Engenharia Eletrônica
Banca: Marinha
Orgão: Marinha

Observe o esquema a seguir.

Enunciado 3347948-1

O esquema acima corresponde a qual expressão "booleana"?

 

Provas

Questão presente nas seguintes provas
69070 Ano: 2007
Disciplina: Engenharia Elétrica
Banca: Marinha
Orgão: Marinha

O equipamento utilizado para medição de resistência de isolação, podendo operar com tensões até 1000V, é denominado

 

Provas

Questão presente nas seguintes provas