Foram encontradas 1.050 questões.
Transdutores convertem sinais correspondentes, por exemplo, à pressão, força, deslocamento e temperatura em sinais elétricos analógicos e têm aplicações em balanças de precisão, termômetros eletrônicos e controles automáticos de temperatura.
Correlacione os tipos abaixo listados com seus princípios de funcionamento e assinale a opção correta.
TIPOS DE TRANSDUTORES
I - Termistor
II - Efeito Hall
III - Termopar
IV - Cristal piezoelétrico
V - Dispositivo potenciométrico
PRINCÍPIOS DE FUNCIONAMENTO
( ) É gerada uma ddp através de uma junção de metais diferentes quando a junção é aquecida.
( ) É gerada uma ddp quando uma força externa é aplicada a certos cristais como o quartzo.
( ) É gerada uma ddp em uma superfície semicondutora quando o fluxo magnético interage com uma corrente.
( ) A resistência não linear varia em certos óxidos metálicos ao ser aquecida.
( ) Uma força externa posiciona o elemento móvel variando a sua resistência.
Provas
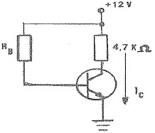
Observe a figura abaixo.

O amplificador transistorizado representado terá seu ponto de operação
Dados:
IC = 2,5mA
Provas
Considere:
\( S = \bar{A} \bar{B} \bar{C} + \bar{A} B \bar{C} + A \bar{B} \bar{C} + A B \bar{C} \)
Qual a opção que representa a expressão booleana \( S \) acima simplificada ?
Provas
Observe a figura:

Que tipo de filtro ativo representa o circuito acima?
Provas

O circuito da figura acima é um
Provas
Observe a figura abaixo.

Para o circuito de um voltímetro DC representado, os valores das resistências do divisor de tensão para as escalas de 1V, 10V e 100V são, respectivamente, de
Dados:
\( R_i = 20\Omega \)
\( I_m = 1mA \)
Provas
Observe o circuito:

No circuito controlador de potência utilizando TRIAC, o potenciômetro foi ajustado para baixa potência na carga. Qual dos gráficos apresenta a forma de onda que melhor representa essa situação? (Considere a área sombreada representativa do tempo de condução do TRIAC).
Provas
Qual das opções abaixo apresenta um oscilador RC?
Provas
A principal vantagem do MOSFET por "depleção" sobre o JFET é a
Provas

Qual das opções abaixo possui a mesma função do circuito lógico representado acima?
Provas
Caderno Container