Foram encontradas 300 questões.
Considerando-se os dados de manutenção relativos ao
MTBF (mean time between failures) e ao MTTR (mean time to
repair), é correto afirmar que a disponibilidade de um
equipamento
Provas
Questão presente nas seguintes provas
Na manutenção mecânica, a análise de vibrações é tipicamente
utilizada para
Provas
Questão presente nas seguintes provas
Com relação à manutenção preditiva, às suas características e às
suas vantagens em relação a outros tipos de manutenção, assinale
a opção correta.
Provas
Questão presente nas seguintes provas
A respeito do engrenamento entre duas engrenagens paralelas de
dentes retos, assinale a opção correta.
Provas
Questão presente nas seguintes provas
Na chaveta paralela ilustrada a seguir, confeccionada em
aço cuja tensão de cisalhamento admissível é de 70 MPa, a
largura b é de 25 mm e o comprimento l é de 50 mm.

Nessas condições, a força cisalhante Ft que pode ser admitida é igual a

Nessas condições, a força cisalhante Ft que pode ser admitida é igual a
Provas
Questão presente nas seguintes provas
Entre os principais tipos de chavetas, destacam-se as chavetas
paralela, de cunha e Woodruff. A respeito do emprego dessas
chavetas, assinale a opção correta.
Provas
Questão presente nas seguintes provas
As chavetas são elementos de máquina essenciais em
transmissões, pois garantem o acoplamento eficiente entre eixos
e elementos como polias, rodas e engrenagens. Em um eixo de
máquina, a função principal de uma chaveta é
Provas
Questão presente nas seguintes provas
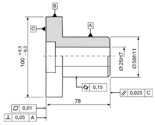
Peça 4A2-I
No desenho técnico a seguir, as dimensões da peça estão
em milímetros.

Provas
Questão presente nas seguintes provas
Peça 4A2-I
No desenho técnico a seguir, as dimensões da peça estão
em milímetros.

Provas
Questão presente nas seguintes provas
Peça 4A2-I
No desenho técnico a seguir, as dimensões da peça estão
em milímetros.

Provas
Questão presente nas seguintes provas
Cadernos
Caderno Container