Foram encontradas 300 questões.
3199414
Ano: 2024
Disciplina: TI - Organização e Arquitetura dos Computadores
Banca: CESPE / CEBRASPE
Orgão: LNA
Disciplina: TI - Organização e Arquitetura dos Computadores
Banca: CESPE / CEBRASPE
Orgão: LNA
Nos últimos anos, a evolução dos microprocessadores e dos
microcontroladores tem sido marcada pelo desenvolvimento de
diversas arquiteturas distintas, cada qual com características
únicas que afetam seu desempenho, sua eficiência e suas
aplicações ideais. A respeito desse assunto, assinale a opção
correta.
Provas
Questão presente nas seguintes provas

Considerando-se que, no circuito precedente, todos os componentes sejam ideais, é correto afirmar que
Provas
Questão presente nas seguintes provas
Um sistema de monitoramento deve operar em um
ambiente com altos níveis de ruído elétrico. Para garantir a
integridade dos sinais de controle e comunicação entre um
microcontrolador e outro dispositivo, serão usados acopladores
ópticos. No entanto, o circuito exige não apenas isolamento, mas
também a capacidade de transferir sinais bidirecionais.
Nessas condições, para atender às necessidades do sistema, a configuração de acopladores ópticos mais apropriada consiste em
Nessas condições, para atender às necessidades do sistema, a configuração de acopladores ópticos mais apropriada consiste em
Provas
Questão presente nas seguintes provas
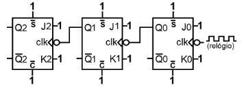
O circuito digital a seguir é implementado com o uso de
três flip-flops JK, gatilhados por borda de descida, na entrada
clk. As entradas J e K são mantidas sempre em nível lógico 1, e
os sinais de controle
e
são mantidos em 1, de
forma que o contador esteja sempre em funcionamento. A saída
do circuito é formada pelos bits Q2, Q1 e Q0, nesta ordem, de
forma tal que, por exemplo, no estado 001, os bits Q2 e Q1 são
iguais a zero, e o bit Q0 é igual a 1, sendo esse um estado que
pode ser rotulado com o número binário 001.

A partir dessas informações, e considerando que o circuito digital funcione continuamente, assinale a opção correta.

A partir dessas informações, e considerando que o circuito digital funcione continuamente, assinale a opção correta.
Provas
Questão presente nas seguintes provas
No circuito representado a seguir, o amplificador
operacional é compensado internamente, de forma que tenha uma
resposta em frequência, quando em malha aberta, de primeira
ordem. O amplificador operacional tem, em malha aberta, as
seguintes características: ganho de 106
, produto entre ganho e
banda passante igual a 1 MHz, impedância de entrada 1 MΩ,
impedância de saída 5 Ω e correntes de polarização, para ambas
as entradas, de 20 nA.
Com base nessas informações, é correto afirmar que, no circuito em malha fechada,

Com base nessas informações, é correto afirmar que, no circuito em malha fechada,
Provas
Questão presente nas seguintes provas
Uma fonte de 5 V, com alta capacidade de corrente, deve
ser usada para alimentar um LED que opera com tensão de 2 V e
corrente ideal de 20 mA.
Nessa situação, a melhor forma de realizar a alimentação do LED, provendo-se uma margem de segurança adequada, consiste em
Nessa situação, a melhor forma de realizar a alimentação do LED, provendo-se uma margem de segurança adequada, consiste em
Provas
Questão presente nas seguintes provas
3199408
Ano: 2024
Disciplina: TI - Organização e Arquitetura dos Computadores
Banca: CESPE / CEBRASPE
Orgão: LNA
Disciplina: TI - Organização e Arquitetura dos Computadores
Banca: CESPE / CEBRASPE
Orgão: LNA

A partir da figura precedente, que ilustra uma porta lógica implementada com a tecnologia CMOS, assinale a opção correta.
Provas
Questão presente nas seguintes provas
Circuito 5A1-I
O circuito a seguir corresponde a um amplificador de dois
estágios, em duas configurações clássicas que utilizam dois
transistores bipolares, Q1 e Q2, exatamente iguais e com os
mesmos parâmetros físicos. Os estágios estão corretamente
polarizados e conectados entre si de forma eficaz, funcionando
de acordo com as características típicas de cada uma das
configurações. A resistência da combinação em paralelo dos
resistores RB1 e RB2 é igual à resistência da combinação em
paralelo dos resistores RB3 e RB4.

Provas
Questão presente nas seguintes provas
Circuito 5A1-I
O circuito a seguir corresponde a um amplificador de dois
estágios, em duas configurações clássicas que utilizam dois
transistores bipolares, Q1 e Q2, exatamente iguais e com os
mesmos parâmetros físicos. Os estágios estão corretamente
polarizados e conectados entre si de forma eficaz, funcionando
de acordo com as características típicas de cada uma das
configurações. A resistência da combinação em paralelo dos
resistores RB1 e RB2 é igual à resistência da combinação em
paralelo dos resistores RB3 e RB4.

Provas
Questão presente nas seguintes provas
Dois sinais de tensão, I e II, têm as seguintes
características: o sinal I é um sinal senoidal, com período de
20 ms, tensão mínima de -100 V e tensão máxima de 100 V; o
sinal II é um sinal periódico em que cada período é composto por
uma tensão de 0 V, nos primeiros 800 µs, e de 100 V nos
próximos 200 µs.
Com base nessas informações, assinale a opção correta.
Com base nessas informações, assinale a opção correta.
Provas
Questão presente nas seguintes provas
Cadernos
Caderno Container