Foram encontradas 967 questões.
Na concretagem de uma obra está sendo utilizado um concreto com abatimento de 100 mm. Logo no início dos serviços, acompanhando a moldagem dos corpos de prova para ensaio de compressão, o engenheiro observou o seguinte:
- corpo de prova de 150 mm x 300 mm;
- moldagem do corpo de prova em 2 camadas;
- adensamento manual com haste e 10 golpes em cada camada.
Consultando a norma pertinente (NBR 5738:2003, com emenda em 2008 – Concreto – Procedimento para moldagem e cura de corpos-de-prova), o engenheiro verificou que tal procedimento está incorreto, pois o número de camadas e o número de golpes em cada camada devem ser, respectivamente,
Provas
Um dos fenômenos estudados na hidráulica é a cavitação.
Esse fenômeno consiste na
Provas
O Estatuto da Cidade (Lei Federal nº 10.257 de 2001) estabelece diretrizes gerais da política urbana. Em relação ao planejamento municipal, essa lei destaca alguns instrumentos, dentre os quais está o instrumento básico da política de desenvolvimento e expansão urbana, cujas diretrizes e prioridades devem ser incorporadas ao plano plurianual, às diretrizes orçamentárias e ao orçamento anual do município.
O instrumento descrito acima é o
Provas
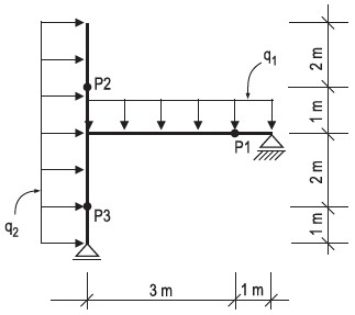
Considere o esquema isostático e os dados a seguir.

Dados:
q1 = 10 kN/m
q2 = 2q1
P1, P2 e P3 são apenas pontos da estrutura
No ponto P1, o valor do momento fletor em kN!$ \cdot !$m e o sentido de giro são, respectivamente
Provas
Considere o esquema isostático e os dados a seguir.

Dados:
q1 = 10 kN/m
q2 = 2q1
P1, P2 e P3 são apenas pontos da estrutura
No ponto P2, o módulo do esforço cisalhante, em kN, vale
Provas
Considere o esquema isostático e os dados a seguir.

Dados:
q1 = 10 kN/m
q2 = 2q1
P1, P2 e P3 são apenas pontos da estrutura
O esforço normal no ponto P3 é de
Provas

A Figura acima ilustra três tipos de parafusos utilizados na união de duas peças. A denominação desses parafusos está relacionada à forma pela qual é realizada a união.
Assim, os parafusos das Figuras I, II e III são, respectivamente,
Provas
A velocidade de rotação do eixo de um motor de indução bobinado é de 1.140 rpm. A frequência da rede elétrica é de 60 Hz, e o escorregamento do rotor é de 5%.
O número de polos que o motor possui é
Provas
De acordo com a norma NBR 5410:2004, deve ser obrigatoriamente utilizada, para proteção contra choques elétricos nos circuitos de força (tomadas) localizados na cozinha de uma residência, a proteção
Provas
Qual é um dos objetivos do tratamento térmico de normalização?
Provas
Caderno Container