Foram encontradas 840 questões.
Provas
Assinale a alternativa INCORRETA.
Provas
Provas
Por que cortar cebola nos faz chorar? No momento em que cortamos esse vegetal, as células deste são quebradas e liberam enzimas denominadas alinases e, também, um grupo de compostos denominados sulfóxidos-S-alquenil cisteína. Esses compostos entram em contato com as alinases e, por meio de reações complexas, produzem o sulfóxido de tiopropanal, que é o gás causador das lágrimas.
WOLKE, R.L; O que Einstein disse ao seu cozinheiro –
Mais ciência na cozinha, vol. 2, Zahar 2005. (com adaptações)
Uma das recomendações para se evitar o sulfóxido de tiopropanal, no momento em que se corta a cebola, é deixá-las, por pelo menos duas horas, na geladeira, antes de cortá-las. Isso porque, esse procedimento acarretará
Provas
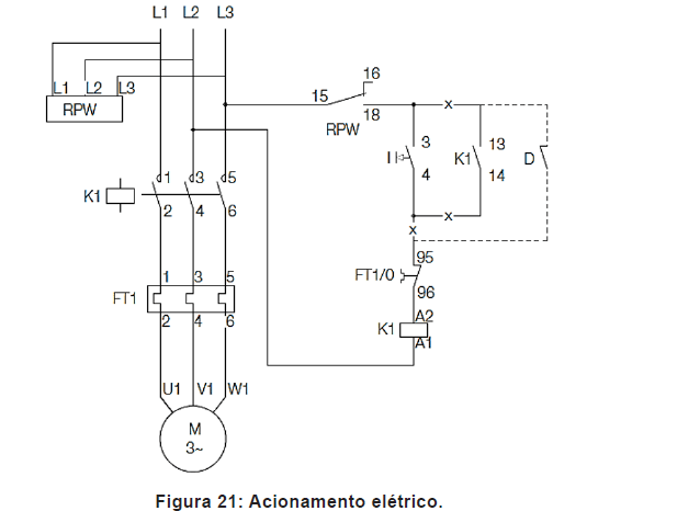
Analise a Figura 21 e assinale a alternativa correta.

Provas
Provas
Provas
Uma reação em fase gasosa se propaga em duas etapas, como indicado pelo diagrama energético a seguir:

Em relação ao tema, assinale a alternativa correta.
Provas
Provas
- Transformadores e Máquinas ElétricasMáquinas AssíncronasCaracterística Torque-escorregamento-corrente
Provas
Caderno Container