Foram encontradas 1.192 questões.
Em relação aos parâmetros dos MOSFET de potência na situação acima mencionada, assinale a afirmativa correta.
Provas
Considere um sistema de controle, cujo valor complexo da função de transferência de malha aberta F(s) é conhecida para duas frequências de interesse w1 e w2:

A partir dos dados desse sistema de controle, os valores da margem de ganho e da margem de fase, respectivamente, são
Provas
Considere que determinado sistema de controle é representado pela sua função de transferência de malha aberta N(s), dada por

Inicialmente, o valor do ganho do controlador K foi ajustado de forma a tornar o sistema em malha fechada criticamente amortecido.
Caso o ganho K seja ligeiramente aumentado, é esperado que o sistema tenha
Provas
Considere um sistema de controle com realimentação unitária, cuja função de transferência de malha aberta possui um polo na origem. Quanto ao erro de regime permanente ao seguir sinais do tipo degrau e rampa, esse sistema apresentará
Provas
A realimentação unitária é uma das estruturas de controle mais utilizadas para que um determinado sistema alcance o desempenho desejado.
Considere um determinado sistema de controle, composto de um controlador em série com uma planta, onde a saída da planta é Y(s) e a entrada do controlador é a diferença entre a referência do sistema R(s) e a saída da planta Y(s). Sabe-se ainda que tal sistema possui a função de transferência em malha fechada T(s), dada por
\( T(s)=\dfrac{1}{(As+1)} \), com \( A > 0 \)
Nessas condições, a função de transferência em malha aberta desse sistema é
Provas
Considere que determinado sistema de controle é representado pela sua função de transferência de malha aberta M(s), dada por

Com relação a estabilidade deste sistema, analise as afirmativas a seguir.
I. É independente do valor do parâmetro k.
II. É independente do valor do parâmetro a.
III. É independente dos valores dos parâmetros b e c.
Está correto o que se afirma em
Provas
Considere que um processo industrial em malha fechada seja representado pela função de transferência P(s), dada por

Sabendo que a > 5b, a resposta de P(s) ao degrau unitário
Provas

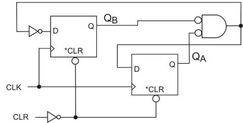
Assinale a opção que indica o número de estados da sequência permanente do contador.
Provas
Em um sistema embarcado, o hardware e o software cooperam de forma integrada, sendo utilizados em uma ampla variedade de produtos, desde os mais simples até os mais complexos. A seleção do sistema operacional é um aspecto crucial que influencia significativamente o desenvolvimento de uma solução embarcada, pois afeta não apenas a facilidade de operação em tempo real, mas também a facilidade de desenvolvimento e o desempenho. Entre os diversos sistemas operacionais disponíveis para sistemas embarcados, destacam-se o FreeRTOS, Android e Linux embarcado. Acerca desses três sistemas operacionais, analise os itens a seguir.
I. O sistema operacional Android é completamente fechado (closed-source), sem nenhuma parte do seu código-fonte disponível para o público.
II. Uma das vantagens do FreeRTOS é a previsibilidade. Entre os três sistemas operacionais, ele é o mais indicado para aplicações em tempo real que exigem um comportamento determinístico.
III. O Linux embarcado proporciona uma flexibilidade superior à do FreeRTOS, pois durante o desenvolvimento de um sistema embarcado, é mais viável localizar um driver para o hardware, muitas vezes disponibilizado pelo fabricante.
Está correto o que se afirma em
Provas

Após um pulso de CLR em nível baixo e mais de 30 pulsos de CLK, sem que ocorra novo pulso de CLR, o estado QBQA do circuito da figura acima, composto por dois flip-flops, dois inversores e mais uma porta lógica, ficará
Provas
Caderno Container