Foram encontradas 35 questões.
Sistema de unidades é o conjunto de unidades de base e unidades derivadas, definido de acordo com regras específicas, para um dado sistema de grandezas. No Sistema Internacional de Unidades (SI), as unidades de base para comprimento, massa e tempo, são, respectivamente,
Provas
O diodo zener da figura tem Vz = 10V. qUtilizando a aproximação do zener ideal qual o valor da corrente zener mínima e máxima respectivamente?

Provas
Um aerogerador é um equipamento destinado a produzir:
Provas
Observe o circuito da figura abaixo, assumindo que Vs1 = 10 V e Vs2 = −8 V

Assinale a alternativa que completa CORRETAMENTE a afirmativa abaixo. As correntes de malha são
Provas
Uma planta de geração fotovoltaica é instalada e a energia elétrica produzida deve ser inserida na rede elétrica com:
Provas
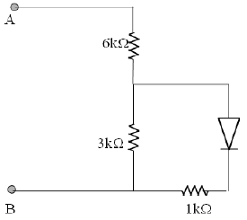
O valor da corrente através do resistor de 1kΩ da figura é: Considerar o diodo de silício e a tensão VAB = 12V.

Provas
Disciplina: Engenharia de Telecomunicações
Banca: CESPE / CEBRASPE
Orgão: INPE
Uma interface USB possui os seguintes condutores
Provas
Supondo que a tensão através da figura ao lado seja 5V.

Provas
Um experimento com um eliminador de pilhas teve como resultado o gráfico Vo x Io abaixo.

valor da resistência interna de tal eliminador de pilhas é
Provas
De acordo com a teoria atômica de Bohr, os elétrons ocupam determinadas órbitas ao redor do núcleo atômico. Isto significa que eles não podem ser encontrados em órbitas intermediárias e todos os raios entre R1 e R2 são proibidos. O elétron tem mobilidade para deslocar somente entre estas órbitas com determinada energia.
Este fato não está relacionado com:
Provas
Caderno Container