Magna Concursos

Foram encontradas 35 questões.

1080704 Ano: 2012
Disciplina: Engenharia Eletrônica
Banca: CESPE / CEBRASPE
Orgão: INPE
Provas:

Identifique se são verdadeiras (V) ou falsas (F) as afirmativas com relação aos transistores de efeito de campo.

( ) O MOSFET tipo reforço, também conhecido por intensificação ou enriquecimento, de canal P, na região de saturação, apresenta uma relação quadrática entre a corrente de dreno e a tensão porta-fonte quando esta é negativa.

( ) A inversão da conexão dos terminais dreno e fonte do transistor JFET em um circuito amplificador não altera o desempenho do circuito. ( ) O transistor MOSFET tipo depleção de canal P apresenta corrente de dreno apenas quando a tensão porta-fonte é maior que zero. Assinale a alternativa que representa a sequência CORRETA, de cima para baixo.

 

Provas

Questão presente nas seguintes provas
1079805 Ano: 2012
Disciplina: Engenharia Eletrônica
Banca: CESPE / CEBRASPE
Orgão: INPE
Provas:

Assinale a alternativa que preenche CORRETAMENTE as lacunas da afirmativa abaixo.

Em uma associação série e , a corrente é nula para uma excitação mista AC/DC não nula.

 

Provas

Questão presente nas seguintes provas
1066693 Ano: 2012
Disciplina: Engenharia Elétrica
Banca: CESPE / CEBRASPE
Orgão: INPE
Provas:

Qual das alternativas abaixo é incorreta:

 

Provas

Questão presente nas seguintes provas
1049509 Ano: 2012
Disciplina: Engenharia Elétrica
Banca: CESPE / CEBRASPE
Orgão: INPE
Provas:

Em um osciloscópio ajustado para 0,2V/DIV e 100μs/DIV, observou-se o sinal abaixo, cuja frequência e amplitude são

Enunciado 1049509-1

 

Provas

Questão presente nas seguintes provas
985671 Ano: 2012
Disciplina: Engenharia Elétrica
Banca: CESPE / CEBRASPE
Orgão: INPE
Provas:

Quando se submete o sistema representado abaixo a uma diferença de potencial elétrico de 14V entre os pontos A e B, o resistor que dissipa maior potência é o de:

Enunciado 985671-1

 

Provas

Questão presente nas seguintes provas
982236 Ano: 2012
Disciplina: Engenharia Elétrica
Banca: CESPE / CEBRASPE
Orgão: INPE
Provas:

A corrente de carga para o circuito abaixo para as resistências de carga 0,1kΩ e 2kΩ é:

Enunciado 982236-1

 

Provas

Questão presente nas seguintes provas
979554 Ano: 2012
Disciplina: Engenharia Elétrica
Banca: CESPE / CEBRASPE
Orgão: INPE
Provas:

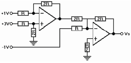
No circuito abaixo, o valor da tensão de saída Vs é

Enunciado 979554-1

 

Provas

Questão presente nas seguintes provas
956012 Ano: 2012
Disciplina: Engenharia Elétrica
Banca: CESPE / CEBRASPE
Orgão: INPE
Provas:

Observe o circuito da figura abaixo, assumindo que R = 1 kW.

Enunciado 956012-1

Assinale a alternativa que completa CORRETAMENTE a afirmativa abaixo. A potência dissipada pelo resistor R é

 

Provas

Questão presente nas seguintes provas
881737 Ano: 2012
Disciplina: Engenharia Elétrica
Banca: CESPE / CEBRASPE
Orgão: INPE
Provas:

Você dispõe de duas lâmpadas, uma de 25W – 125V e outra de 200W – 125V. Você liga essas lâmpadas, conectadas em série, a uma tomada de 125V, e observa que:

 

Provas

Questão presente nas seguintes provas
856886 Ano: 2012
Disciplina: Engenharia Elétrica
Banca: CESPE / CEBRASPE
Orgão: INPE
Provas:

Um voltímetro, com uma escala de 50 V e uma sensibilidade de 20 kΩ/V, é usado para medir a tensão sobre um de dois resistores de 1 MΩ, conectados em série com uma fonte de tensão de 100 V. Quando o voltímetro for conectado a um dos resistores, a tensão medida será:

 

Provas

Questão presente nas seguintes provas