Magna Concursos

Foram encontradas 100 questões.

Uma carga trifásica em estrela ligada a uma rede elétrica trifásica, equilibrada e simétrica

 

Provas

Questão presente nas seguintes provas

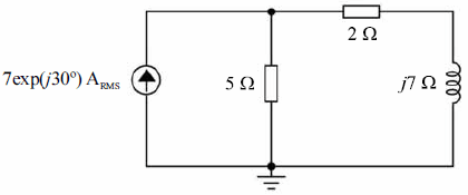
Enunciado 3546005-1

A potência aparente e a potência reativa para o circuito mostrado na figura acima equivalem, respectivamente, a

 

Provas

Questão presente nas seguintes provas

Texto para a questão.

O circuito a seguir, percorrido pela corrente i(t), é constituído pela associação série de um gerador senoidal v(t) e de uma impedância !$ Z = { \large 5 \over 4} + j { \large 5 \sqrt{3} \over 4} \Omega !$. Ajustando-se a fase do gerador senoidal para 45 graus, nota-se que a potência complexa suprida possui amplitude de 5 VA e fase de 60 graus.

Enunciado 3546004-1

Considerando que !$ e^{jx} = exp(jx) !$, é correto inferir que o fasor corrente, no circuito em questão, corresponde a

 

Provas

Questão presente nas seguintes provas

Texto para a questão.

O circuito a seguir, percorrido pela corrente i(t), é constituído pela associação série de um gerador senoidal v(t) e de uma impedância !$ Z = { \large 5 \over 4} + j { \large 5 \sqrt{3} \over 4} \Omega !$. Ajustando-se a fase do gerador senoidal para 45 graus, nota-se que a potência complexa suprida possui amplitude de 5 VA e fase de 60 graus.

Enunciado 3546003-1

A amplitude pico-a-pico, em volts, do gerador senoidal no circuito mostrado é i igual a

 

Provas

Questão presente nas seguintes provas

Enunciado 3546002-1

Considere que uma fonte CC de amplitude V seja conectada em paralelo a um banco de capacitores inicialmente descarregados,conforme a figura acima. Nesse circuito, a energia suprida pela fonte e a energia total armazenada no banco de capacitores correspondem, respectivamente, a

 

Provas

Questão presente nas seguintes provas

Texto para a questão.

Para o circuito chaveado ilustrado na figura a seguir, constituído de uma fonte de tensão controlada por corrente, considera-se que a chave é mantida na posição 1 até que o regime permanente seja alcançado. No instante t = 0, a chave é subitamente deslocada para a posição 2.

Enunciado 3546001-1

A constante de tempo do circuito chaveado em questão, quando a chave está na posição 2, é igual a

 

Provas

Questão presente nas seguintes provas

Texto para a questão.

Para o circuito chaveado ilustrado na figura a seguir, constituído de uma fonte de tensão controlada por corrente, considera-se que a chave é mantida na posição 1 até que o regime permanente seja alcançado. No instante t = 0, a chave é subitamente deslocada para a posição 2.

Enunciado 3546000-1

Para o circuito chaveado mostrado na figura, quando a chave estiver na posição 2, o valor em regime permanente da tensão de saída !$ v_o ( t \rightarrow \infty) !$ será de

 

Provas

Questão presente nas seguintes provas

Texto para a questão.

Para o circuito chaveado ilustrado na figura a seguir, constituído de uma fonte de tensão controlada por corrente, considera-se que a chave é mantida na posição 1 até que o regime permanente seja alcançado. No instante t = 0, a chave é subitamente deslocada para a posição 2.

Enunciado 3545999-1

Imediatamente após o deslocamento da chave da posição 1 para a posição 2, a tensão de saída — v0(t = 0+) — e a tensão sobre o indutor — vL(t = 0+) — equivalem, respectivamente, a

 

Provas

Questão presente nas seguintes provas

Texto para a questão.

No circuito RLC série ilustrado na figura a seguir, alimentado por uma fonte de tensão !$ v(t) = 10cos( \omega t) V, !$ os elementos têm valores nominais dados por !$ R = 10 \Omega, L = 50 mH !$ e !$ C = 5\,\mu\,F !$

Enunciado 3545998-1

Se !$ \omega = 10 x 10^3 !$ rad/s, a amplitude e a fase aproximadas do fasor corrente equivalem, respectivamente, a

 

Provas

Questão presente nas seguintes provas

Texto para a questão.

No circuito RLC série ilustrado na figura a seguir, alimentado por uma fonte de tensão !$ v(t) = 10cos( \omega t) V, !$ os elementos têm valores nominais dados por !$ R = 10 \Omega, L = 50 mH !$ e !$ C = 5\,\mu F !$.

Enunciado 3545997-1

Para que os fatores tensão e corrente estejam em fase, a frequência de operação do circuito deve ser

 

Provas

Questão presente nas seguintes provas