Magna Concursos

Foram encontradas 1.410 questões.

73649 Ano: 2011
Disciplina: Desenho Técnico e Industrial
Banca: FCC
Orgão: INFRAERO
Provas:

No software AutoCAD, os comandos são distribuídos e classificados de acordo com sua função.

São comandos de visualização, formatação, desenho e modificação, respectivamente,

 

Provas

Questão presente nas seguintes provas
73648 Ano: 2011
Disciplina: Desenho Técnico e Industrial
Banca: FCC
Orgão: INFRAERO
Provas:

Um desenhista projetista recebeu de seu cliente a informação de que o terreno em que pretende construir é retangular e mede 50 × 100 metros. Antes de realizar os estudos para mostrar ao cliente, o desenhista projetista consultou o Departamento de Obras da Prefeitura Municipal e foi informado de que para este terreno são permitidos:

I. Taxa de Ocupação de 60%.

II. Coeficiente de Aproveitamento igual a 2.

III. Gabarito de altura máxima sem limite.

Respeitando os parâmetros fornecidos pela Prefeitura, a construção que terá a maior área construída é a de

 

Provas

Questão presente nas seguintes provas
73647 Ano: 2011
Disciplina: Desenho Técnico e Industrial
Banca: FCC
Orgão: INFRAERO
Provas:

Ponto

X (m)

Y (m)

0 0,0 0,0
1 15,0 -15,0
2 60,0 -15,0
3 60,0 15,0
4 15,0 15,0

Considerando que a reta entre os pontos 0 e 1 é chamada de “r” e a reta entre os pontos 1 e 2 é chamada de “s”, e as coordenadas da tabela fornecida, o ângulo interno formado entre essas retas mede

 

Provas

Questão presente nas seguintes provas
73646 Ano: 2011
Disciplina: Desenho Técnico e Industrial
Banca: FCC
Orgão: INFRAERO
Provas:

Ponto

X (m)

Y (m)

0 0,0 0,0
1 15,0 -15,0
2 60,0 -15,0
3 60,0 15,0
4 15,0 15,0

Considerando as coordenadas da tabela acima como sendo os vértices da poligonal de um terreno, a área correspondente é

 

Provas

Questão presente nas seguintes provas
73645 Ano: 2011
Disciplina: Desenho Técnico e Industrial
Banca: FCC
Orgão: INFRAERO
Provas:

Na geometria euclidiana, dois ângulos complementares são aqueles cujas medidas somadas resultam em \( \pi \)/2 radianos. Sendo assim, o ângulo complementar de 39° 24’ 36”, em graus e frações decimais de graus, é

 

Provas

Questão presente nas seguintes provas
73644 Ano: 2011
Disciplina: Desenho Técnico e Industrial
Banca: FCC
Orgão: INFRAERO
Provas:

Considere a figura.

I

Enunciado 3456870-1

II

Enunciado 3456870-2

III

Enunciado 3456870-3

IV

Enunciado 3456870-4

V

Enunciado 3456870-5

Segundo a norma NBR 13133/1994, que fixa as condições exigíveis para a execução de Levantamento Topográfico, em seu Anexo B − Convenções Topográficas, tendo em vista o desenho topográfico final, os símbolos representados por I, II, III, IV e V referem-se, respectivamente, a cerca

 

Provas

Questão presente nas seguintes provas
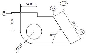
73643 Ano: 2011
Disciplina: Desenho Técnico e Industrial
Banca: FCC
Orgão: INFRAERO
Provas:

Considere a figura:

Enunciado 3456869-1

No software AutoCAD, antes de cotar um desenho, faz-se necessário ajustar a configuração das cotas no que se refere a limites de cotas e medidas das linhas, entre outras. De acordo com a caixa de diálogo aberta com o comando Dimension Style, em software tipo CAD, os itens I, II, III e IV são chamados, respectivamente, de

 

Provas

Questão presente nas seguintes provas
73642 Ano: 2011
Disciplina: Desenho Técnico e Industrial
Banca: FCC
Orgão: INFRAERO
Provas:

Considere:

Esse tipo de arquivo é um protótipo que guarda as configurações de layers, textos, cotas e até mesmo desenhos que são frequentemente utilizados. Trata-se de um formato similar ao dwg, a diferença é que serve para que inicie um projeto com base em si, sem que o arquivo original seja alterado. Tem como vantagem poder utilizar configurações padronizadas sem a necessidade de criá-las sempre que iniciar um novo desenho.

Em software AutoCAD, a descrição refere-se a arquivo

 

Provas

Questão presente nas seguintes provas
73641 Ano: 2011
Disciplina: Desenho Técnico e Industrial
Banca: FCC
Orgão: INFRAERO
Provas:

Em um estudo topográfico, erros aleatórios são aqueles que não seguem qualquer tipo de lei. A figura a seguir representa o resultado de uma amostragem dos erros.

Enunciado 3456867-1

A distribuição dos erros observados, considerando-se a repetibilidade das medidas e o grau de aderência das observações, ilustra o resultado

 

Provas

Questão presente nas seguintes provas
73640 Ano: 2011
Disciplina: Desenho Técnico e Industrial
Banca: FCC
Orgão: INFRAERO
Provas:

A iluminação caracterizada por postes com alturas entre 1 e 3 metros, destinada a iluminar passeios e pistas de caminhada ou de ciclismo, é chamada de

 

Provas

Questão presente nas seguintes provas