Magna Concursos

Foram encontradas 1.410 questões.

73769 Ano: 2011
Disciplina: Engenharia Mecânica
Banca: FCC
Orgão: INFRAERO
Provas:

Com relação aos instrumentos de medidas elétricas convencionais (analógicos), é correto afirmar que para ligar um

 

Provas

Questão presente nas seguintes provas
73768 Ano: 2011
Disciplina: Engenharia Mecânica
Banca: FCC
Orgão: INFRAERO
Provas:

Considere o circuito abaixo.

Enunciado 3456994-1

Corresponde ao valor da corrente I, em ampères:

 

Provas

Questão presente nas seguintes provas
73767 Ano: 2011
Disciplina: Engenharia Mecânica
Banca: FCC
Orgão: INFRAERO
Provas:

A relação entre uma relação combustível-ar qualquer e a relação estequiométrica de um determinado combustível é denominada Fração relativa − Fr.

Nos motores de combustão interna, para Fr<1, temos uma mistura pobre. A ocorrência da mistura muito pobre pode

 

Provas

Questão presente nas seguintes provas
73766 Ano: 2011
Disciplina: Engenharia Mecânica
Banca: FCC
Orgão: INFRAERO
Provas:

Em grandes sistemas de resfriamento de ar são utilizadas torres de arrefecimento cuja finalidade é

 

Provas

Questão presente nas seguintes provas
73765 Ano: 2011
Disciplina: Engenharia Mecânica
Banca: FCC
Orgão: INFRAERO
Provas:

O ciclo de refrigeração a compressão de vapor, mostrado abaixo, compõe um sistema.

Enunciado 3456991-1

Na condição de ciclo ideal, o calor retirado do sistema é a diferença entre as entalpias dos pontos

 

Provas

Questão presente nas seguintes provas
73764 Ano: 2011
Disciplina: Engenharia Mecânica
Banca: FCC
Orgão: INFRAERO
Provas:

Em um conjunto, os elementos de apoio de eixo são denominados mancais. Mancais de deslizamento, em relação aos mancais de rolamento, apresentam

 

Provas

Questão presente nas seguintes provas
73763 Ano: 2011
Disciplina: Engenharia Mecânica
Banca: FCC
Orgão: INFRAERO
Provas:

Na designação da mais utilizada rosca métrica para fins de acionamento, os dados referentes ao diâmetro e ao passo são antecedidos por

 

Provas

Questão presente nas seguintes provas
73762 Ano: 2011
Disciplina: Engenharia Mecânica
Banca: FCC
Orgão: INFRAERO
Provas:

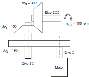
Para o acionamento de uma máquina por meio de um pinhão cônico, montado no eixo III, do sistema de transmissão esquematizado abaixo, dispõe-se de um motor de 10 CV e 1800 rpm.

Enunciado 3456988-1

Conhecido o módulo de 2,5 mm do par de engrenagens cilíndricas e os diâmetros primitivos das engrenagens 2, 3 e 4, indicados no esquema, conclui-se que

 

Provas

Questão presente nas seguintes provas
73761 Ano: 2011
Disciplina: Engenharia Mecânica
Banca: FCC
Orgão: INFRAERO
Provas:

As notações das tensões de tração ou de compressão dos trechos I e II são, respectivamente, \( \sigma_I \) e \( \sigma_{II}. \) Portanto, em valor absoluto, \( \sigma_I \) é igual a

 

Provas

Questão presente nas seguintes provas
73760 Ano: 2011
Disciplina: Engenharia Mecânica
Banca: FCC
Orgão: INFRAERO
Provas:

A barra escalonada da figura tem diâmetros d e 2d nos trechos I e II, respectivamente, e a força F1 é uniformemente distribuída ao redor da coroa circular.

Enunciado 3456986-1

A barra torneada em aço apresenta no trecho

 

Provas

Questão presente nas seguintes provas