Foram encontradas 1.174 questões.
Uma lâmpada de vapor de mercúrio entra em regime pleno de funcionamento após
Provas
A figura abaixo representa o tipo de corrente de curtocircuito

Provas
“Detectada uma irregularidade, o responsável pela ...... de uma instalação industrial terá o encargo de estabelecer, na medida do possível, um diagnóstico referente à origem e à gravidade do defeito constatado. Este procedimento deve ser feito ...... reparo."
Preenche corretamente as lacunas da frase acima:
Provas
O diagrama abaixo representa a estrutura de controle e planejamento da manutenção.

O gerenciamento dos recursos disponíveis deverá ficar atrelado a
Provas
Em uma subestação abaixadora,
Provas
O lado da alta tensão de um transformador tem 500 espiras, o da baixa tensão tem 100 espiras. Calcule a relação de transformação para que ele opere como abaixador de tensão.
Provas
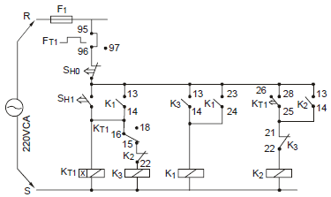
O esquema abaixo representa o diagrama de comando de um motor trifásico para que ele opere com partida

Provas
Calcule o valor aproximado da corrente nominal de um motor trifásico que apresenta os seguintes dados:
Potencia nominal = 50 CV
Rendimento = 92,5%
Tensão de linha = 380 V
Fator de potência = 0,87
Provas
A norma específica que trata de disjuntor de Baixa Tensão é a NBR
Provas
É INCORRETO o que se afirma em:
Provas
Caderno Container