Magna Concursos

Foram encontradas 80 questões.

616372 Ano: 2016
Disciplina: Física
Banca: IME
Orgão: IME

Enunciado 3383066-1

Considere um feixe homogêneo de pequenos projéteis deslocando-se na mesma direção e na mesma velocidade constante até atingir a superfície de uma esfera que está sempre em repouso.

A esfera pode ter um ou dois tipos de superfícies: uma superfície totalmente refletora (colisão perfeitamente elástica entre a esfera e o projétil) e/ou uma superfície totalmente absorvedora (colisão perfeitamente inelástica entre a esfera e o projétil).

Em uma das superfícies (refletora ou absorvedora), o ângulo !$ \alpha !$ da figura pertence ao intervalo !$ [ 0, \beta] !$, enquanto na outra superfície (absorvedora ou refletora) !$ \alpha !$ pertence ao intervalo !$ ( \beta,^\pi/_2 ] !$

Para que a força aplicada pelos projéteis sobre a esfera seja máxima, o(s) tipo(s) de superfície(s) é(são):

 

Provas

Questão presente nas seguintes provas
616371 Ano: 2016
Disciplina: Física
Banca: IME
Orgão: IME

Um projétil é lançado obliquamente de um canhão, atingindo um alcance igual a 1000 m no plano horizontal que contém a boca do canhão. Nesse canhão, o projétil parte do repouso executando um movimento uniformemente variado dentro do tubo até sair pela boca do canhão. Ademais, a medida que o projétil se desloca no interior do tubo, ele executa um movimento uniformemente variado de rotação, coaxial ao tubo. Tendo sido o projétil rotacionado de 1 rad durante seu deslocamento dentro do canhão, sua aceleração angular, em rad/s2, ao deixar o canhão é:

Dados:
ângulo do tubo do canhão em relação à horizontal: 45º;
comprimento do tubo: 2 m;
aceleração da gravidade: g = 10 m/s2.

Consideração:
despreze a resistência do ar.

 

Provas

Questão presente nas seguintes provas
616370 Ano: 2016
Disciplina: Física
Banca: IME
Orgão: IME

Uma mancha de óleo em forma circular, de raio inicial ro, flutua em um lago profundo com água cujo índice de refração é n. Considere que a luz que atinge a mancha e a superfície da água seja difusa e que o raio da mancha cresça com a aceleração constante a. Partindo do repouso em t = 0, o volume de água abaixo da mancha que não recebe luz, após um intervalo de tempo t, é:

 

Provas

Questão presente nas seguintes provas
616369 Ano: 2016
Disciplina: Física
Banca: IME
Orgão: IME

Enunciado 3383063-1

Uma partícula de carga positiva +m penetra numa região de comprimento d1 sujeita a um campo magnético de baixa intensidade e ortogonal ao plano da figura acima. Em seguida, penetra numa região de comprimento d2, onde não existe campo magnético. Ao longo das regiões de comprimento d1 e d2, a partícula percorre a trajetória indicada pela linha tracejada da figura acima. Dadas as informações a seguir, a distância a, indicada na figura entre a origem e o ponto de passagem da partícula pelo eixo Y, é aproximadamente:

Dados:
velocidade inicial da partícula: ortogonal ao eixo Y e de módulo v;
módulo do campo magnético da região: B
distância entre o fim da região do campo magnético e o eixo Y: d2:
massa da partícula: m;
d2 ≫ d1:
deslocamento vertical da partícula dentro da região magnetizada << d1.

 

Provas

Questão presente nas seguintes provas
616368 Ano: 2016
Disciplina: Física
Banca: IME
Orgão: IME

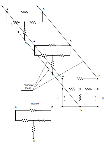
Enunciado 3383062-1

A figura acima apresenta um arranjo de resistores composto por N módulos formados por resistores iguais a R. Esses módulos possuem os nós A, B e C, sendo que todos os nós A são conectados entre si por meio de condutores ideais, conforme apresentado na figura, o mesmo acontecendo com os nós B entre si. No primeiro módulo, existem duas baterias com ddp iguais a U. A relação numérica !$ ^{U^2}/_R\ !$ para que a potência total dissipada pelo arranjo seja igual a N watts é:

 

Provas

Questão presente nas seguintes provas
616367 Ano: 2016
Disciplina: Física
Banca: IME
Orgão: IME

Enunciado 3383061-1

A figura acima apresenta uma placa fotovoltaica em forma de hexágono sustentada por uma estrutura em forma de cubo, que pode girar em torno do eixo de rotação assinalado. Esta placa tem a capacidade máxima de 100 W de potência e sua tensão de saída é constante em 10 V. A potência máxima é atingida quando a radiação solar incide na placa perpendicularmente. Sabe-se que a radiação incide perpendicularmente à aresta !$ \overline{AB} !$ e ao eixo de rotação !$ ( \theta = 0 !$ na figura). A maior inclinação !$ \theta !$ que a estrutura cúbica pode sofrer, diminuindo a potência fornecida pela placa, e ainda assim permitindo que a mesma alimente um resistor de 2,5 Ω, é:

 

Provas

Questão presente nas seguintes provas
616366 Ano: 2016
Disciplina: Física
Banca: IME
Orgão: IME

Uma corda mista sobre o eixo horizontal tem uma densidade linear para a coordenada x < 0 e outra para !$ x \ge\,0 !$. Uma onda harmônica, dada por Z !$ ( \omega t -K_1x) !$, onde 7 é o instante de tempo, propaga-se na região onde < 0 e é parcialmente refletida e parcialmente transmitida em = 0. Se a onda refletida e a transmitida são dadas por !$ Bsen( \omega t + K_1 x) !$ e !$ C\,sen ( \omega t - K_2x) !$ respectivamente, onde !$ \omega, K_1 !$ e !$ K_2 !$ são constantes, então a razão entre as amplitudes da onda refletida e da incidente, dada por !$ | B/A| !$, é igual a:

Observação:
considere !$ { \large sen(ax) \over x} = a !$, para |x| próximo a zero.

 

Provas

Questão presente nas seguintes provas
616365 Ano: 2016
Disciplina: Física
Banca: IME
Orgão: IME

Deseja-se minimizar a taxa de transferência de calor em uma parede feita de um determinado material, de espessura conhecida, submetendo-a a um diferencial de temperatura. Isso é feito adicionando-se uma camada isolante refratária de 15% da espessura da parede, de forma que cuidadosas medidas experimentais indicam que a taxa de transferência de calor passa a ser 40% em relação à situação original. Supondo que o diferencial de temperatura entre as extremidades livres da parede original e da parede composta seja o mesmo, pode-se afirmar que a condutividade térmica do material refratário é numericamente igual a

 

Provas

Questão presente nas seguintes provas
616364 Ano: 2016
Disciplina: Física
Banca: IME
Orgão: IME

Enunciado 3383058-1

A figura acima apresenta um bloco preso a um cabo inextensível e apoiado em um plano inclinado. O cabo passa por uma roldana de dimensões desprezíveis, tendo sua outra extremidade presa à estrutura de um sistema de vasos comunicantes. Os vasos estão preenchidos com um líquido e fechados por dois pistões de massas desprezíveis e equilibrados à mesma altura. O sistema é montado de forma que a força de tração no cabo seja paralela ao plano inclinado e que não haja esforço de flexão na haste que prende a roldana. A expressão da força F que mantém o sistema em equilíbrio, em função dos dados a seguir, é:

Dados:
Aceleração da gravidade: g ;
Massa do corpo: m ;
Inclinação do plano de apoio: θ ;
Áreas dos pistões: A1 e A2 .

 

Provas

Questão presente nas seguintes provas
616363 Ano: 2016
Disciplina: Física
Banca: IME
Orgão: IME

Enunciado 3383057-1

A figura acima apresenta uma estrutura em equilíbrio, formada por uma barra horizontal CE e duas barras verticais rotuladas AC e BD . Todas as barras possuem material uniforme e homogêneo e as barras AC e BD têm peso desprezível, enquanto a barra CE tem densidade linear de massa μ . Na extremidade da barra CE , há uma carga concentrada vertical, de cima para baixo, de 1,8 kN. Para que a força de tração na barra BD seja 8,1 kN, a densidade linear de massa μ da barra CE , em kg/m, e a força em módulo na barra AC , em kN, devem ser iguais a:

Dado:

aceleração da gravidade: g = 10 m/s2.

 

Provas

Questão presente nas seguintes provas