Foram encontradas 1.316 questões.
Em automação industrial o uso de dispositivos de
comunicação, bem como as Interfaces Homem-Máquina
(IHM) são fundamentais para melhoria na qualidade dos
processos, otimização dos espaços, redução no tempo de
produção e dos custos. As redes industriais surgiram com o
advento da computação na indústria, pois até então, o
monitoramento a grandes distâncias só podiam ser feitos
com sistemas analógicos. São exemplos de protocolos de
comunicações usados em uma planta industrial:
Provas
Questão presente nas seguintes provas
Observe o esquema da figura a seguir.

Elaborado pelo(a) autor(a).
A partir do esquema, o sistema entrará em operação de que maneira?
Provas
Questão presente nas seguintes provas
Diversos são os meios de controle de máquinas, processos
e plantas industriais. São tipos de processos de automação
industrial:
Provas
Questão presente nas seguintes provas
Sistemas embarcados são sistemas eletrônicos microprocessados que, após serem programados, possuem uma função específica que geralmente não pode ser alterada.
A seguir um exemplo de programação C++ usado em um kit Arduino.
1 void main (void) {
2 int tecla;
3 kpInit();
4 lcdInit();
5 for(;;){
6 kpDebounce();
7 tecla = kpReadkey();
8 lcdPosition( 0 , 0 );
9 lcdNumber( tecla );
10 }
11 }
Elaborado pelo(a) autor(a).
Sobre o programa, ao ser executado, o que ele faz?
Provas
Questão presente nas seguintes provas
Um conversor analógico digital (ADC) é um circuito capaz
de transformar um valor de tensão numa informação
codificada em formato digital. Na conversão são usados
sensores para medir o parâmetro a ser convertido. São
exemplos de sensores usados em um conversor ADC:
Provas
Questão presente nas seguintes provas
Sistemas embarcados são sistemas eletrônicos
microprocessados que, após serem programados, possuem
uma função específica que geralmente não pode ser
alterada. São exemplos de plataformas de sistemas
embarcados:
Provas
Questão presente nas seguintes provas
São vantagens da utilização dos sistemas em um chip
(SoC):
Provas
Questão presente nas seguintes provas
São exemplos de dispositivo lógico programável em campo
baseados em modelos de circuitos integrados:
Provas
Questão presente nas seguintes provas
Veja o diagrama de uma Máquina de Estado Finito (MEFs)
na figura a seguir.
Elaborado pelo(a) autor(a).
Este diagrama representa uma
Elaborado pelo(a) autor(a).
Este diagrama representa uma
Provas
Questão presente nas seguintes provas
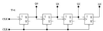
Observe o circuito da figura a seguir.

Elaborado pelo(a) autor(a).
Esse circuito é um
Provas
Questão presente nas seguintes provas
Cadernos
Caderno Container