Foram encontradas 40 questões.
Provas
Provas
Observe, a seguir, a planilha gerada pelo Calc.

Assinale a alternativa que apresenta o resultado correto da fórmula =B1+C1/A1.
Provas
Provas
Provas
- Álgebra Booleana e Circuitos Lógicos
- Automação Industrial
- Eletrônica DigitalProgramação Ladder
- Eletrônica Digital na Engenharia Eletrônica
Numere a COLUNA II de acordo com a COLUNA I, associando cada uma das funções lógicas à sua correspondente na linguagem Ladder.

Assinale a sequência CORRETA.
Provas
Analise as características apresentadas no quadro a seguir.

Essas características são encontradas nos amplificadores:
Provas
- Álgebra Booleana e Circuitos Lógicos
- Contadores em Engenharia Eletrônica
- Eletrônica Digital na Engenharia Eletrônica
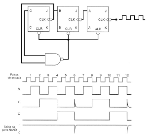
Analise o circuito a seguir, considerando que todas as entradas J e K estão em nível 1.

Com relação ao funcionamento desse circuito, é correto afirmar:
Provas
Minimize a função f (A, B, C, D) representada pelo mapa de Karnaugh a seguir.

A saída S dessa função é:
Provas
Analise as afirmativas a seguir relacionadas aos sensores e medidores de temperatura e assinale com V as verdadeiras e com F as falsas.
( )Utiliza-se um resistor de valor fixo em paralelo com o NTC para melhorar a linearidade do dispositivo; contudo, proporciona uma redução na sensibilidade.
( )Os termopares do tipo J (ferro-constantan) têm uma faixa de medição maior do que a dos tipos E, K e T em ambientes oxidantes, utilizados principalmente em tratamentos térmicos.
( )O pirômetro é um instrumento para medição de temperatura sem contato que intercepta e avalia a radiação emitida por determinada superfície.
( )As termopilhas apresentam baixa sensibilidade e baixo ruído por utilizar materiais de baixo efeito termoelétrico, fornecendo uma tensão de saída proporcional à radiação incidente.
( )A utilização da fibra óptica na medição de temperatura ocorre em função da variação de seu comprimento físico, dilatação, proporcional à variação da temperatura.
Assinale a sequência CORRETA.
Provas
Caderno Container