Magna Concursos

Foram encontradas 454 questões.

2848474 Ano: 2022
Disciplina: Engenharia Eletrônica
Banca: Verbena
Orgão: IFG

Um Conjunto Complexo de Instruções (CISC) e um Conjunto Reduzido de Instruções (RISC) são arquiteturas distintas de computadores. A arquitetura CISC, quando comparada à arquitetura RISC,

 

Provas

Questão presente nas seguintes provas
2848473 Ano: 2022
Disciplina: Engenharia Eletrônica
Banca: Verbena
Orgão: IFG

A figura, a seguir, mostra um circuito lógico com 3 entradas (a, b, c) e 4 saídas (A, B, C, D).

Enunciado 3051381-1

Qual é a entrada (a, b, c) do circuito que resulta na saída (A, B, C, D) = (0, 1, 1, 0)?

 

Provas

Questão presente nas seguintes provas
2848472 Ano: 2022
Disciplina: Engenharia Eletrônica
Banca: Verbena
Orgão: IFG

Observe a figura a seguir.

Enunciado 3051380-1

No circuito da figura apresentada, todos os componentes são ideais. Considerando que a fonte V possui tensão de pico de 15V/60Hz, qual será a forma de onda da tensão de saída vo?

 

Provas

Questão presente nas seguintes provas
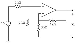
2848471 Ano: 2022
Disciplina: Engenharia Eletrônica
Banca: Verbena
Orgão: IFG

Observe a figura a seguir.

Enunciado 3051378-1

Considerando o amplificador operacional ideal, qual é o valor de Vs (tensão de saída) no circuito?

 

Provas

Questão presente nas seguintes provas
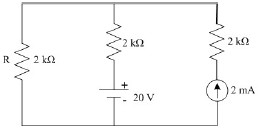
2848470 Ano: 2022
Disciplina: Engenharia Eletrônica
Banca: Verbena
Orgão: IFG

Observe a figura a seguir.

Enunciado 3051377-1

No circuito elétrico da figura, todos os componentes são ideais e a fonte fornece uma tensão eficaz de 100 V a 50 Hz. Para as condições apresentadas no circuito mostrado, a corrente elétrica é, aproximadamente,

Dados: !$ pi !$= 3,14

 

Provas

Questão presente nas seguintes provas
2848469 Ano: 2022
Disciplina: Engenharia Eletrônica
Banca: Verbena
Orgão: IFG

Observe a figura a seguir.

Enunciado 3051374-1

No circuito da figura, todos os componentes são ideais. Qual é a queda de tensão sobre o resistor R?

 

Provas

Questão presente nas seguintes provas
2848468 Ano: 2022
Disciplina: Engenharia Elétrica
Banca: Verbena
Orgão: IFG

Observe a figura a seguir.

Enunciado 3051393-1

A Norma Brasileira n. 5410 (NBR 5410), no item esquema de aterramento, especifica que o esquema TN possui um ponto de alimentação diretamente aterrado e as massas são ligadas a esse ponto por meio de condutores de proteção. De acordo com essa norma, a variante da forma TN apresentada na figura é chamada de esquema

 

Provas

Questão presente nas seguintes provas
2848466 Ano: 2022
Disciplina: Engenharia Elétrica
Banca: Verbena
Orgão: IFG

Conforme a Norma Brasileira n. 5410 (NBR 5410) no item que trata do uso de dispositivo diferencial-residual de alta sensibilidade, o dispositivo é reconhecido como proteção adicional contra choques elétricos. Para essa situação, a corrente nominal do dispositivo deve ser igual ou inferior a

 

Provas

Questão presente nas seguintes provas
2848465 Ano: 2022
Disciplina: Engenharia Elétrica
Banca: Verbena
Orgão: IFG

Observe os quadros a seguir.

Capacidade de Corrente dos condutores

Seção nominal do

condutor (mm2)

Capacidade de condução de

corrente do condutor (A)

1,5

17

2,5

24

4,0

32

6,0

41

10,0

57

Fatores de agrupamento de circuitos

Número de circuitos
agrupados

Fator de correção de agrupamento

1

1,0

2

0,8

3

0,7

4

0,65

5

0,6

As tabelas mostram os dados de um condutor com isolação de PVC, temperatura de operação 70 ºC, maneira de instalar B1 e fatores de correção de agrupamento de circuitos. Dimensione os condutores para o circuito de um forno resistivo pelo critério de capacidade de condução de corrente. O circuito é monofásico, tensão 220 V (fase-neutro) e a potência da carga é 4840 W. Os condutores do circuito estão inseridos em um eletroduto de PVC embutido em alvenaria (maneira de instalar B1). A temperatura ambiente é de 30 ºC e junto a esse circuito monofásico do forno passam condutores isolados de outro circuito. Qual é a seção transversal do condutor do circuito do forno resistivo utilizando-se o critério de capacidade de condução de corrente?

 

Provas

Questão presente nas seguintes provas
2848464 Ano: 2022
Disciplina: Engenharia Elétrica
Banca: Verbena
Orgão: IFG

Uma parte da instalação elétrica do laboratório de circuitos elétricos foi desenergizada para manutenção. Com o intuito de aproveitar a situação e acrescentar aprendizado aos alunos, o técnico procurou a Norma Regulamentadora n. 10 (NR-10) e mostrou o item segurança em instalações elétricas desenergizadas. Conforme essa norma, somente serão consideradas desenergizadas as instalações elétricas liberadas para trabalho, mediante os procedimentos apropriados, obedecida a uma determinada sequência. Considere a sequência aleatória a seguir:

1) instalação de aterramento temporário com equipotencialização dos condutores dos circuitos;

2) impedimento de reenergização;

3) seccionamento;

4) instalação da sinalização de impedimento de reenergização;

5) proteção dos elementos energizados existentes na zona controlada;

6) constatação da ausência de tensão.

A sequência a ser obedecida segundo a NR-10 é dada em:

 

Provas

Questão presente nas seguintes provas