Foram encontradas 320 questões.
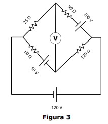
Circuitos simples, formados por resistores e fontes de força eletromotriz, são temas
constantes na educação básica, permitindo aos estudantes compreenderem os princípios
fundamentais da eletricidade e suas aplicações no dia a dia. Observe o circuito misto ilustrado na
Figura 3 abaixo, composto por 4 resistores e 3 fontes de força eletromotriz ideais, interligados por fios
sem resistência elétrica. Um voltímetro ideal está conectado ao sistema, conforme mostrado na
Figura 3.

Qual o valor indicado pelo voltímetro?

Qual o valor indicado pelo voltímetro?
Provas
Questão presente nas seguintes provas
Considere um cilindro maciço, feito de material não condutor e infinitamente longo,
com raio R. O cilindro tem uma densidade volumétrica de cargas não uniforme, que varia radialmente
a partir do centro do cilindro, sendo dada por: p = ar 3
. Considere a constante de permissividade do
meio como sendo ε. A expressão correta que determina o módulo do campo elétrico a uma distância
r do centro do cilindro é:
Provas
Questão presente nas seguintes provas
Um dos efeitos mais interessantes da mecânica quântica é o tunelamento quântico,
que se observa em sistemas como a barreira de potencial. Considere uma barreira de potencial de
altura Va e largura a (cuja extremidade da esquerda está em x = 0 e extremidade da direita em x = a). Uma partícula se aproxima da barreira vinda de x < 0 com energia E < V0. A equação de
Schrödinger, independentemente do tempo que descreve a onda, é dada por:

Com base no contexto, analise as assertivas abaixo e assinale a alternativa correta.
I. Os termos A e B representam a onda incidente. II. O termo C representa a onda transmitida em 0. III. O termo D representa a onda refletida em α. IV. O termo F representa a onda transmitida em α. V. O termo G representa a onda transmitida em α.

Com base no contexto, analise as assertivas abaixo e assinale a alternativa correta.
I. Os termos A e B representam a onda incidente. II. O termo C representa a onda transmitida em 0. III. O termo D representa a onda refletida em α. IV. O termo F representa a onda transmitida em α. V. O termo G representa a onda transmitida em α.
Provas
Questão presente nas seguintes provas
Um projétil é lançado obliquamente próximo do alto de um plano inclinado, cuja
inclinação com a horizontal é de 45°. O projétil é lançado com uma velocidade inicial v0 = 15 m/s,
formando um ângulo de 15° em relação ao plano inclinado, e percorre uma distância d = 75 m ao
longo do plano inclinado até voltar a tocá-lo próximo de sua base. Considere que não há resistência
do ar sobre o corpo e quaisquer outros efeitos dissipativos que possam afetar o movimento do projétil.
Utilize: g = 10 m/s2, sen 15° ≅ 0,26, cos 15° ≅ 0,97, √2 ≅ 1,4, √3 ≅ 1,7. Qual é, aproximadamente, a
velocidade do projétil ao final do movimento descrito?
Provas
Questão presente nas seguintes provas
Considere um cilindro condutor maciço, cujo raio é R = 5 mm. Uma corrente elétrica
percorre esse cilindro ao longo de seu comprimento, com densidade de corrente cujo módulo é dado
por J =
2×102/r
, onde r é a distância radial a partir do centro do cilindro. Utilize a constante de
permeabilidade magnética do meio como sendo μ = 4π × 10−4 T ∙ m/A para realizar o cálculo. Qual é
o módulo do campo magnético gerado pelo cilindro a uma distância r = 3 mm?
Provas
Questão presente nas seguintes provas
Muitos livros didáticos de física normalmente não abordam adequadamente a
diferença entre medir e observar objetos em movimento relativístico em relação a um observador em
repouso. Essa distinção é fundamental para compreender os efeitos visuais resultantes da teoria da
relatividade restrita. Considere a seguinte situação, ilustrada na Figura 2: uma barra de espessura
desprezível em relação ao seu comprimento L está fixa no sistema S' e orientada ao longo do eixo x',
movendo-se na direção do eixo y com uma velocidade de módulo bc, sendo b uma constante menor
do que 1 e c a velocidade da luz. Como não há movimento relativo entre S e S' na direção x, temos x
= x' para qualquer instante t. A posição de um ponto qualquer da barra é medida e descrita pelo vetor
r por um observador fixo em S e por r' por um segundo observador fixo em S'. As extremidades da
barra estão situadas em x = x' = d e x = x' = d + L. Suponha que, em t = t' = 0, as origens dos
sistemas S e S' coincidam (r0 = r0' = 0) e, neste instante, todos os pontos da barra passam pela
ordenada y = 0, conforme medido por um observador em S. Assim, para t < 0, a barra estará com os
valores medidos de y negativo, e para t > 0, estará com y positivo.

Com base nessa situação, assinale a alternativa que descreve a imagem vista por um observador situado no ponto r = (0, 0, h) para t = 0, momento em que a posição medida dos pontos da barra indica que y = y' = 0.

Com base nessa situação, assinale a alternativa que descreve a imagem vista por um observador situado no ponto r = (0, 0, h) para t = 0, momento em que a posição medida dos pontos da barra indica que y = y' = 0.
Provas
Questão presente nas seguintes provas
Uma barra fina e homogênea de massa M e comprimento L está apoiada
perpendicularmente à sua maior dimensão, de forma que seu centro de massa está a uma distância
L/3 do ponto de apoio. Uma única força F, de módulo constante e perpendicular ao eixo da barra, é
aplicada em uma das extremidades da barra, provocando sua rotação em torno do ponto de apoio,
como mostra a Figura 1.

A aceleração angular adquirida pela barra, devido à aplicação da força F, é de:

A aceleração angular adquirida pela barra, devido à aplicação da força F, é de:
Provas
Questão presente nas seguintes provas
A aplicação de Tecnologias da Informação e Comunicação (TICs) no ensino de Física
é uma prática prevista na Base Nacional Comum Curricular (BNCC). Segundo a BNCC (2018), é
importante que os estudantes compreendam, utilizem e criem tecnologias digitais de forma crítica,
reflexiva e ética, visando se comunicar, acessar informações, produzir conhecimentos, resolver
problemas e exercer protagonismo na vida pessoal e coletiva. Nesse contexto, o professor
desempenha o papel de mediador, auxiliando os alunos nos melhores usos possíveis das TICs, mesmo
sem necessariamente possuir conhecimento técnico específico sobre as ferramentas disponíveis.
Relacione a Coluna 1 à Coluna 2, associando os recursos tecnológicos às suas respectivas descrições.
Coluna 1
1. Chatbots como ferramentas de interação. 2. Realidade virtual e aumentada. 3. Microlearning e mobile learning. 4. Gamificação.
Coluna 2
( ) Recursos que utilizam tecnologias imersivas para criar ambientes virtuais que ampliam a percepção sensorial e permitem uma experiência mais realista e interativa.
( ) Abordagem que transforma o processo educacional em uma jornada lúdica e desafiadora, incorporando elementos de jogos, como pontuação, desafios e recompensas, para engajar e motivar os estudantes.
( ) Estratégias de aprendizado que dividem o conteúdo em pequenas unidades, facilitando o acesso rápido e objetivo por meio de pílulas de conhecimento de curta duração e adaptadas ao uso em dispositivos móveis.
( ) Robôs virtuais que utilizam inteligência artificial para interagir com os alunos, respondendo a dúvidas, oferecendo suporte e fornecendo informações relevantes de forma automatizada.
A ordem correta de preenchimento dos parênteses, de cima para baixo, é:
Coluna 1
1. Chatbots como ferramentas de interação. 2. Realidade virtual e aumentada. 3. Microlearning e mobile learning. 4. Gamificação.
Coluna 2
( ) Recursos que utilizam tecnologias imersivas para criar ambientes virtuais que ampliam a percepção sensorial e permitem uma experiência mais realista e interativa.
( ) Abordagem que transforma o processo educacional em uma jornada lúdica e desafiadora, incorporando elementos de jogos, como pontuação, desafios e recompensas, para engajar e motivar os estudantes.
( ) Estratégias de aprendizado que dividem o conteúdo em pequenas unidades, facilitando o acesso rápido e objetivo por meio de pílulas de conhecimento de curta duração e adaptadas ao uso em dispositivos móveis.
( ) Robôs virtuais que utilizam inteligência artificial para interagir com os alunos, respondendo a dúvidas, oferecendo suporte e fornecendo informações relevantes de forma automatizada.
A ordem correta de preenchimento dos parênteses, de cima para baixo, é:
Provas
Questão presente nas seguintes provas
Sistemas ópticos compostos por associação de lentes desempenham um papel
fundamental no ensino de física no campo da óptica geométrica. Eles são utilizados para produzir
imagens com características especiais, assim como aquelas obtidas por microscópios compostos ou
lunetas astronômicas. Nesse contexto, considere um caso teórico em que duas lentes delgadas, sendo
elas coaxiais, são associadas com uma distância d = 15 cm entre elas. As lentes têm distâncias focais f1 = 10 cm e f2 = 2 cm. Qual é a vergência equivalente da associação das lentes?
Provas
Questão presente nas seguintes provas
O problema das moscas volantes é uma condição ocular na qual pequenos pontos ou
fios escuros parecem flutuar no campo de visão de uma pessoa. Essas "moscas" são resultantes de
aglomerados de proteínas ou resíduos de células que se formam no humor vítreo, uma substância
gelatinosa que preenche o interior do olho. Essas alterações causam mudanças na densidade e
viscosidade do humor vítreo, interferindo no trajeto da luz que entra no olho. Como resultado, ocorrem
efeitos visuais percebidos pelo observador. Considerando o problema de visão descrito, a percepção
das moscas volantes:
Provas
Questão presente nas seguintes provas
Cadernos
Caderno Container