Foram encontradas 515 questões.
Disciplina: TI - Organização e Arquitetura dos Computadores
Banca: FUNDATEC
Orgão: IFFar
Sobre representação de dados e valores em organização de computadores, relacione a Coluna 1 à Coluna 2, associando os sistemas de numeração aos seus respectivos exemplos.
Coluna 1
1. Sistema de numeração decimal.
2. Sistema de numeração octal.
3. Sistema de numeração hexadecimal.
4. Sistema de numeração binário.
5. Sistema de numeração posicional.
Coluna 2
( ) N = {0, 1, 2, 3, 4, 5, 6, 7, 8, 9, A, B, C, D, F}
( ) N = {0, 1}
( ) N = {2 x 1033 + 3 x 1022 + 1 x 1011 + 2 x 1000}
( ) N = {0, 1, 2, 3, 4, 5, 6, 7, 8, 9}
( ) N = {0, 1, 2, 3, 4, 5, 6, 7}
A ordem correta de preenchimento dos parênteses, de cima para baixo, é:
Provas
A eletroquímica envolve processos de oxidação e redução, tendo aplicações em diferentes áreas da ciência e da tecnologia. Sobre os conceitos de eletroquímica, analise as assertivas abaixo:
I. Em uma célula galvânica, a reação química ocorre de forma espontânea, convertendo energia química em energia elétrica.
II. O ânodo é o eletrodo onde ocorre a oxidação, independentemente de a célula ser galvânica ou eletrolítica.
III. Em uma célula eletrolítica, a corrente elétrica externa é utilizada para forçar uma reação química não espontânea.
IV. Na eletrólise da água, a decomposição da molécula ocorre devido à passagem de corrente elétrica, formando gás oxigênio e gás hidrogênio.
V. O fluxo de elétrons em um circuito externo ocorre do cátodo para o ânodo, pois os elétrons se movem espontaneamente para regiões de menor potencial elétrico.
Quais estão corretas?
Provas
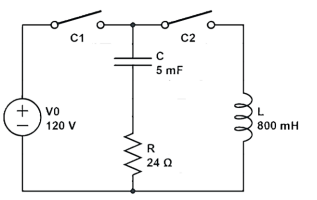
O circuito representado abaixo é composto por uma fonte de tensão contínua de 120 \( V \), um resistor de 24 Ω, um capacitor de 5 \( m \)\( F \), um indutor de 800 \( m \)H, e duas chaves interruptoras C1 e C2. Inicialmente, o capacitor está descarregado, e ambas as chaves estão abertas. Primeiramente, a chave C1 é fechada, permitindo que o capacitor inicie um processo de carga até se carregar completamente. Em seguida, C1 é aberta novamente e C2 é fechada. Analise o circuito a seguir:

A potência instantânea dissipada pelo resistor em \( t \) = 0,02 s é:
Provas
Os analgésicos opioides agem no nível do sistema nervoso central e têm grande potência para diminuir a dor. Devem ser utilizados com cautela devido ao risco de causar dependência. São medicamentos pertencentes a essa classe, EXCETO:
Provas
Qual é o volume de uma solução 2,0 mol/L de ácido nítrico necessário para reagir completamente com 200 mL de uma solução 1,0 mol/L de hidróxido de sódio?
Provas
A farmacocinética é o ramo da farmacologia que estuda os processos que ocorrem com um fármaco dentro do organismo, desde o momento em que ele é administrado até sua eliminação. São fases da farmacocinética, EXCETO:
Provas
Disciplina: TI - Organização e Arquitetura dos Computadores
Banca: FUNDATEC
Orgão: IFFar
Quando aborda-se fundamentos da computação e se estuda como se organiza e se define a arquitetura de computadores, existe um consenso sobre as áreas gerais cobertas por cada um. Uma dessas áreas refere-se às unidades operacionais e suas interconexões, que realizam e definem como as instruções serão implementadas, cumprindo as especificações de atributos definidas por outra área, como um conjunto de instruções, o número de bits usados, mecanismos de entrada e saída e detalhes do hardware. O trecho refere-se a qual área de computadores?
Provas
Criança de seis anos apresentando lesões de pele foi atendida na Unidade Básica de Saúde e recebeu prescrição médica de permanganato de potássio. Para orientar o preparo do medicamento, quantos gramas de permanganato de potássio são necessários para preparar 500 ml de solução a 2%?
Provas
De acordo com a Associação Brasileira de Enfermeiros de Centro Cirúrgico (SOBECC, 2020), assinale a alternativa que indica corretamente os cincos passos para a recuperação anestésica segura.
Provas
A volumetria é uma técnica analítica quantitativa que se baseia na medição precisa do volume de um reagente necessário para reagir completamente com um analito. Entre as diferentes volumetrias utilizadas na química analítica, destacam-se a volumetria ácido-base, de precipitação, de oxirredução e de complexação. Sobre os diferentes tipos de volumetria, analise as assertivas abaixo:
I. Na volumetria ácido-base, utiliza-se um indicador ácido-base ou um pHmetro para identificar o ponto de equivalência da reação entre um ácido e uma base.
II. Na volumetria de precipitação, a formação de um precipitado insolúvel é utilizada como critério para determinar a concentração do analito, sendo o nitrato de prata um reagente comum nesse tipo de análise.
III. Na volumetria de oxirredução, ocorre transferência de elétrons entre o analito e o titulante, sendo o permanganato de potássio um dos reagentes mais utilizados devido à sua cor intensa que dispensa o uso de indicador.
IV. Na volumetria de complexação, a formação de complexos solúveis é explorada para determinar a concentração de íons metálicos em solução, sendo o EDTA um reagente amplamente empregado nesse tipo de análise.
V. A volumetria de precipitação pode ser aplicada na determinação da dureza da água, pois o cálcio e o magnésio reagem com nitrato de prata para formar precipitados insolúveis, sendo este chamado Método de Mohr.
Quais estão corretas?
Provas
Caderno Container