Foram encontradas 770 questões.
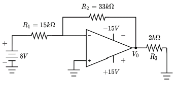
Determine a tensão de saída para o amplificador inversor LM741 ilustrado a seguir.

Provas
Sobre medições com uso de multímetro, seus terminais e funcionalidades, relacione as colunas e assinale a alternativa com a sequência correta.
1. Soquete hFE.
2. Terminal de entrada 10A.
3. Terminal de entrada comum.
4. Terminal de entrada V/mA/Ohm.
( ) Utilizado para medida hFE de transistores NPN e PNP.
( ) É o mais adequado para teste de LED’s.
( ) É adotado para entrada positiva para medidas de corrente.
( ) É adotado para entrada negativa para medidas de tensão, dentre outras.
( ) É adotado para entrada positiva para medidas de corrente.
Provas
Sobre os relés de sobrecorrente, assinale a alternativa correta.
Provas
Informe se é verdadeiro (V) ou falso (F) o que se afirma a seguir e assinale a alternativa que aborda corretamente o transformador de potencial.
( ) O transformador de potencial é um equipamento que ajusta o nível de tensão com o intuito de permitir que instrumentos de medição e proteção funcionem adequadamente sem que lhes seja necessária uma tensão de acordo com o valor nominal da rede na qual exercem a sua função.
( ) O transformador de potencial indutivo possui um enrolamento primário com N1 espiras e um secundário com N2 espiras, em que o valor de tensão padrão no equipamento é obtido a partir da V2=V1.N1/N2.
( ) O transformador de potencial é construído com polaridade subtrativa, podendo, a pedido do cliente, ser constituído com polaridade aditiva.
Provas
Um Sistema de Proteção contra Descargas Atmosféricas (SPDA) protege prédios, antenas, instalações industriais, dentre outros. Em relação ao estabelecido nesse sistema, relacione os riscos a serem avaliados em uma estrutura e a classificação destes e assinale a alternativa com a sequência correta.
1. R1.
2. R2.
3. R3.
4. R4.
( ) Risco de perda humana.
( ) Risco de perda de instalação de serviço ao público.
( ) Risco de perda de valor econômico.
( ) Risco de perda de memória cultural.
Provas
O interruptor diferencial residual (IDR) é um dispositivo de proteção utilizado em instalações elétricas. Sobre esse dispositivo, assinale a alternativa correta.
Provas
Os valores das bandeiras tarifárias, que representam condições de geração favoráveis, menos favoráveis, desfavoráveis e muito desfavoráveis, para o período de julho de 2022 a junho de 2023 foram aprovados no dia 21/06/2022 pela Diretoria Colegiada da Agência Nacional de Energia Elétrica (ANEEL). Sobre isso, assinale a alternativa correta.
Provas
Segundo a Agência Nacional de Energia Elétrica (ANEEL), um dos fatores que afeta a qualidade do fornecimento de energia elétrica são as distorções harmônicas, que são fenômenos associados a deformações nas formas de ondas das tensões e correntes. Sendo assim, assinale a alternativa que descreve corretamente aspectos relacionados às distorções harmônicas.
Provas
O fator de potência é um fenômeno associado à qualidade de energia. Sendo assim, assinale a alternativa que descreve corretamente aspectos relacionados ao fator de potência presentes nas regulamentações da Agência Nacional de Energia Elétrica (ANEEL).
Provas
A densidade de corrente em um condutor percorrido por uma corrente alternada provoca um efeito chamado efeito peculiar. A respeito do efeito peculiar, assinale a alternativa correta.
Provas
Caderno Container