Foram encontradas 50 questões.
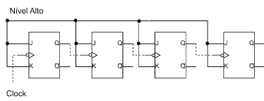
A seguir, é apresentado um contador binário assíncrono de quatro bits.

Cada flip-flop JK é acionado na borda negativa do sinal proveniente da saída do flip-flop anterior com atraso de propagação de 5 ns. O primeiro flip-flop é acionado na borda negativa do sinal de um clock proveniente de um circuito oscilador. Assinale a alternativa que apresenta corretamente a frequência de clock máxima com que esse contador pode operar.
Provas
A partir da Expressão Booleana no formato produto de somas
!$ A=(X+Y+W).(X+Y+\overline{W}).(X+\overline{Y}+W).(X+\overline{Y}+\overline{W}).(\overline{X}+\overline{Y}+W) !$:
Assinale a alternativa que apresenta corretamente a simplificação mínima para esse circuito em soma de produtos.
Provas
Deseja-se uma corrente no LED de 25 mA, quando a chave CH1 for fechada.

Assumindo !$ \alpha=1 !$, !$ \beta=300 !$ e !$ V_{BE}=0,7 \, V !$, assinale a alternativa que apresenta o valor de VBB e o de RE que garantam uma corrente de 25mA no LED.
Provas
A respeito de rotor bobinado em uma máquina CA, informe se é verdadeiro (V) ou falso (F) o que se afirma a seguir e assinale a alternativa com a sequência correta.
( ) As espiras das bobinas são distribuídas em barras únicas, fundidas nas ranhuras do rotor.
( ) As três fases dos enrolamentos do rotor são usualmente ligadas em Y, e suas três terminações são conectas aos anéis deslizantes no eixo do rotor.
( ) Os enrolamentos são colocados em curto-circuito por meio de escovas que se apoiam nos anéis deslizantes.
Provas
A respeito de aspectos gerais de uma máquina CA, assinale a alternativa correta.
Provas
O capacitor ilustrado na figura a seguir tem uma tensão inicial de 5 V. Determine qual é a tensão no capacitor (vc) após fechar a chave CH1 e contar 10 milissegundos (assuma e-1!$ ≈ !$0,4).

Provas
Determine a corrente i1 no circuito a seguir.

Assinale a alternativa que apresenta corretamente o valor de i1.
Provas
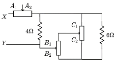
Na figura a seguir, um circuito resistivo é composto por dois resistores de !$ 4 Ω !$ e !$ 6 Ω !$ e três potenciômetros A, B e C, sendo A=A1+A2=6 !$ Ω !$, B=B1+B2=3 !$ Ω !$ e C=B1+B2=9 !$ Ω !$, como segue:

Tais resistores e potenciômetros são configurados como: !$ A_1={\large{1 \over 3}}.A Ω !$ e !$ A_2={\large{2 \over 3}}.A Ω !$, !$ B_1={\large{2\over 3}}.B Ω !$ e !$ B_2={\large{1\over 3}}.B Ω !$ e !$ C_1={\large{1 \over 3}}.C Ω !$ e !$ C_2={\large{2 \over 3}}.C Ω !$. Assinale a alternativa que determina corretamente a resistência equivalente no ponto X e Y.
Provas
Sobre o protocolo process field bus (PROFIBUS), informe se é verdadeiro (V) ou falso (F) o que se afirma a seguir e assinale a alternativa com a sequência correta.
( ) A total independência de fabricantes e a padronização do PROFIBUS é garantida pelas normas 50170 e 50851.
( ) O PROFIBUS DP é o perfil menos utilizado, pois não considera requisitos de alta velocidade e conexão de baixo custo.
( ) Os três tipos básicos de comunicação disponíveis para o PROFIBUS são RS485, Manchester e fibra óptica.
Provas
Assinale a alternativa correta sobre chaves do tipo soft-start.
Provas
Caderno Container