Foram encontradas 485 questões.
Analise a figura abaixo (planta de um rack) e marque a alternativa que corresponde à vista frontal do móvel.

Provas
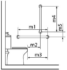
Analise a figura abaixo, de acordo com a NBR 9050 (2015), e marque a alternativa que representa a sequência de medidas (em metros) indicadas pelos símbolos: “m1”, “m2”, “m3”, “m4” e “m5”.

Provas
Com relação à área de transferência estabelecida pela NBR 9050 (2015), marque a alternativa que apresenta a situação INCORRETA.
Provas
De acordo com a figura abaixo, NBR 9050 (2015), complete as dimensões (em metros) de referenciais faltantes de A1, B1 e C1, para alcance manual, da esquerda para a direita.

Provas
Conforme o estabelecido pela NBR9050 (2015), associe a segunda coluna com a primeira.
I) Área de aproximação
II) Área de circulação
III) Área de descanso
IV) Área de transferência
( ) Espaço livre de obstáculos, destinado ao uso de todas as pessoas.
( ) Espaço livre de obstáculos, correspondente no mínimo a um módulo de referência, a ser utilizado para transferência por pessoa com deficiência ou mobilidade reduzida.
( ) Espaço sem obstáculos, destinado a garantir manobra, deslocamento e aproximação de todas as pessoas.
( ) Área adjacente e interligada às áreas de circulação interna ou externa às edificações.
Assinale a alternativa que contém a sequência CORRETA de associação, de cima para baixo.
Provas
Diante da figura abaixo, marque a alternativa que representa qual é o comprimento mínimo, para Gurgel (2013), no tampo da mesa de jantar, considerando que “x” seja o espaço útil mínimo para cada pessoa.

Provas
De acordo com Gurgel (2013), a altura recomendada para uma mesa de jantar é de
Provas
Com relação aos estilos dos mobiliários, de acordo com Mancuso (2008), marque (V) para as sentenças VERDADEIRAS e (F), para as FALSAS.
( ) As cadeiras egípcias tinham, inicialmente, o espaldar inclinado para trás e pés de patas de animais.
( ) Na Grécia, as cadeiras tinham a característica básica de encosto curvo e pés abertos, com o uso do mármore como matéria-prima.
( ) No estilo Romano, os móveis eram retilíneos com ricas esculturas, com tendência a pouca largura e muita altura.
( ) O Renascimento foi uma época muito rica de ostentação, representando uma das épocas mais importantes do mobiliário.
( ) O mobiliário do estilo Barroco, influenciado por Luís XIV, é representado por móveis muito entalhados, cadeiras enormes e pesadas, com pés em “x” e “h”, trabalhadas em serpentinas.
Assinale a alternativa que contém a sequência CORRETA, de cima para baixo.
Provas
Na década de 1920, a “semana de 22” foi um marco na história das artes no Brasil, com a introdução de inovações e usos de materiais diferenciados. Segundo Gurgel (2013), nesse processo foram desenvolvidos mobiliários, pois acreditava-se que os móveis deveriam ser complemento do projeto e coerentes com o tempo em que são criados e utilizados. Sendo assim, relacione a segunda coluna com a primeira:
I) 
II)
III)
IV)
V)
Assinale a alternativa que apresenta a sequência CORRETA de associação, de cima para baixo:
Provas
Conforme Gurgel (2013), quanto aos estilos históricos de mobiliário, associe a segunda coluna com a primeira:
I) 
II)
III)
IV)
V)
( ) Moderna – De Stijl
( ) Moderna – Bauhaus
( ) Moderna – Le Corbusier
( ) Moderna – Mies van der Rohe
( ) Neoclássica
Assinale a alternativa que contém a sequência CORRETA de associação, de cima para baixo.
Provas
Caderno Container