Foram encontradas 275 questões.
Ambos os circuitos (a) e (b) são excitados por um mesmo potencial de corrente alternada Vac que pode conter também uma componente de corrente contínua. Analise-os e assinale a alternativa correta.

Provas
Assinale a alternativa correta relativa à utilização de componentes RoHS?
Provas
Alguns componentes eletrônicos são bastante sensíveis à manipulação humana e exigem cuidados especiais para serem soldados em uma placa de circuito impresso. Qual das práticas abaixo não é adequada para a soldagem de componentes?
Provas
De acordo com o circuito abaixo, composto por 1 fonte de tensão alternada senoidal, 4 resistores ideais e 1 resistor, assinale a alternativa que apresenta a forma de onda desse resistor.

Provas
Para proteger um circuito contra correntes de curto-circuito, é indicado instalar um quadro de fusíveis. Qual dos modelos abaixo é o mais indicado para proteger equipamentos eletrônicos e por quê?
Provas
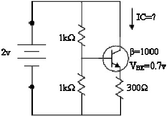
Dado o circuito abaixo, calcule a corrente IC.

Provas
Num transistor de efeito de campo, a corrente que passa entre os terminais source e drain é controlada pela:

Provas
Um método para se medir resistências é montar uma ponte de wheatstone com duas resistências conhecidas (R1 e R2), 1 potênciometro (Pot) e 1 resistência desconhecida (R_desc) que se deseja medir. Coloca-se um multímetro medindo a tensão no centro da ponte e ajusta-se o potenciômetro até que a tensão medida seja zero, conforme a figura abaixo.

No momento em que o voltímetro marcar 0 volts, o valor da resistência será dado por:
Provas
Em um laboratório de eletrônica existem 6 osciloscópios de 220 volts / 220 watts cada, 3 geradores de função de 220 volts / 110 watts cada e 4 computadores de 220 volts / 440 watts cada. Supondo que todos eles estejam usando as mesmas fases da rede, calcule o valor do disjuntor comercial mínimo que deverá ser utilizado para proteger os equipamentos. Lembrar que os valores comerciais de disjuntores são sempre valores inteiros múltiplos de 5.
Provas
Um determinado circuito eletrônico tem um conversor analógico para digital com resolução de 4 bits. As referências para a tensão na entrada são de: 0 volts para o menor nível e 4 volts para o maior nível. Considerando a discretização, qual é a resolução desse conversor em volts?
Provas
Caderno Container