Foram encontradas 40 questões.
Observe o circuito e o programa abaixo.

#INCLUDE <P16F628A.INC>
__CONFIG _BODEN_ON & _CP_OFF & _PWRTE_ON & _WDT_OFF & _LVP_OFF & _MCLRE_ON &
_XT_OSC
#DEFINE BANK0 BCF STATUS,RP0
#DEFINE BANK1 BSF STATUS,RP0
#DEFINE BOTAO PORTA,2
#DEFINE LED1 PORTB,1
#DEFINE LED2 PORTB,6
ORG 0x00
GOTO INICIO
ORG 0x04
RETFIE
INICIO
CLRF PORTA
CLRF PORTB
BANK1
MOVLW B'00000100'
MOVWF TRISA
MOVLW B'00000000'
MOVWF TRISB
MOVLW B'10000000'
MOVWF OPTION_REG
MOVLW B'00000000'
MOVWF INTCON
BANK0
MOVLW B'00000111'
MOVWF CMCON
MAIN
BTFSC BOTAO
GOTO SITUACAO_1
GOTO SITUACAO_2
SITUACAO_1
BCF LED1
BCF LED2
GOTO MAIN
SITUACAO_2
BSF LED1
BSF LED2
GOTO MAIN
END
Considerando que o programa está sendo executado pelo microcontrolador PIC 16F628 da figura, qual o comportamento dos LEDs quando o botão é pressionado?
Provas
Questão presente nas seguintes provas
Simplificando a expressão lógica !$ S \, = \, \overline{X \, \cdot \, Y \, \cdot \, Z \, \cdot}( \overline{X \, + \, Y \, Z}) !$ tem-se como resultado:
Provas
Questão presente nas seguintes provas
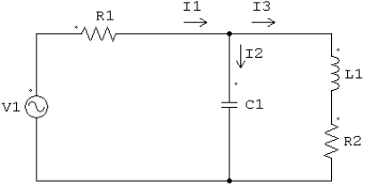
Observe o circuito abaixo.

O circuito acima é composto por indutores, resistores, capacitores e por uma fonte de tensão alternada com valor eficaz V1.
É verdadeiro afirmar sobre as correntes eficazes I1, I2 e I3 que
Provas
Questão presente nas seguintes provas
Observe o circuito abaixo.

Considerando os diodos como ideais, a queda de tensão em R3 é
Provas
Questão presente nas seguintes provas
Observe a figura abaixo.

A capacidade da memória representada na figura é
Provas
Questão presente nas seguintes provas
Leia as afirmativas abaixo.
I. Em um dia de tempestade, a melhor forma de proteger-se das descargas atmosféricas é permanecer dentro de um automóvel devido ao isolamento proporcionado pelos pneus.
II. Um corpo descarregado eletricamente é desprovido totalmente de elétrons e prótons.
III. No processo de eletrização por contato em que ambos os corpos eletrizam-se positivamente, prótons deixam um corpo e migram para outro.
IV. Em um corpo carregado negativamente e em equilibirio eletrostático as cargas elétricas se concentram na parte mais externa do corpo fazendo com que o campo elétrico no seu interior seja nulo.
Está(ão) correta(s) a(s) afirmativa(s)
Provas
Questão presente nas seguintes provas
Observe o circuito abaixo.

Considere a sequência de procedimentos.
I. Chave 1 e 2 abertas e capacitores descarregados;
II. Chave 2 aberta e chave 1 fechada até o tempo equivalente a uma constante de tempo (τ) do circuito formado (R1,C1,C2,C3);
III. Chave 1 aberta e chave 2 fechada.
Qual é o valor da tensão sobre o resistor R2 no instante em que a chave 2 é fechada?
Provas
Questão presente nas seguintes provas
Observe o circuito abaixo.

A corrente Ibn apresentada na figura acima é
Provas
Questão presente nas seguintes provas
Observe o circuito abaixo

Supondo diodos ideais, a tensão de pico Vo é
Provas
Questão presente nas seguintes provas

A sensibilidade vertical é de 0,5V/div
A sensibilidade horizontal é de 10!$ \mu !$s/div
A defasagem angular entre a tensão e a corrente é de
Provas
Questão presente nas seguintes provas
Cadernos
Caderno Container