Foram encontradas 449 questões.
O valor da resistência de um resistor pode ser identificado visualmente por meio do código de cores. A quantidade de faixas, as cores e as posições determinam o valor da resistência elétrica do componente. Associam-se em paralelo dois resistores com valores de resistência R1 e R2, respectivamente, conforme as cores descritas na tabela abaixo. Aplica-se à associação a tensão contínua de V = 120V. Qual o valor da resistência elétrica equivalente da associação (RT) e o valor da intensidade da corrente elétrica (I1) no resistor R1?
| Resistor | Código de Cor |
| R1 | Laranja, preto, laranja e dourado |
| R2 | Azul, preto, laranja e dourado |
Provas
A utilização de transistores bipolares de junção permite o acionamento dos mais diversos dispositivos através de sua polarização e regiões de operações.
Considere que o circuito abaixo esquematizado deve acionar um LED com queda de tensão de 0,7 V e corrente de 50 mA, enquanto que o transistor possui: !$ V_{CE} = 1,5 V, V_{BE} = 0,7 V !$ e !$ \beta = 50 !$. Considere também !$ I_c \cong I_e !$.
Assinale a alternativa que apresenta os valores de R1 e R2 para que o LED acenda nas condições elencadas.

Provas
Uma micro chave unipolar (S1) fixada no painel de uma aeronave com capacidade de 2,0 mA precisa ser empregada para acender um led que ilumina um aviso. Esse led opera com uma corrente de 9,2 mA e apresenta uma queda de tensão em sua junção de 712,5 mV, quando aceso. Um TBJ com ganho 46 !$ (\beta = 46) !$, tensão de base igual a 840,0 mV (VB = 840,0 mV) e tensão coletor-emissor de saturação de 52,0 mV (VCE(SAT) = 52,0 mV) foi empregado para chavear o led e dessa forma ampliar a capacidade de corrente limitada da micro chave, conforme esquemático abaixo:

Adotando um fator de saturação forçada de 10 no TBJ, qual é o valor comercial mais próximo para o resistor R2?
Provas
Um técnico recebeu a curva característica de funcionamento, ilustrado a seguir, de um diodo descaracterizado.

Considerando que as informações da curva característica pertencem ao diodo em teste e que, na montagem ilustrada abaixo, a resistência vale !$ 2,2 \ k\Omega !$ e o circuito foi montado para aferição de funcionamento do diodo em teste, pede-se:
A leitura do voltímetro, o material de fabricação do diodo e a corrente do circuito, respectivamente.

Provas
Os sensores Pt-100 são termoresistências feitas de platina que variam o valor da resistência elétrica conforme sua temperatura se altera. Esses sensores têm sido muito utilizados para medir a temperatura em processos laboratoriais e industriais, e seu sucesso se deve a sua boa precisão, repetibilidade e estabilidade. Desse modo, considere para um determinado Pt-100 a seguinte relação:
!$ R(T) = R_0(1 + \alpha T) !$
Onde R(T) é a resistência (Ω) do sensor quando submetido a uma temperatura T (ºC), !$ R_0 = 100\Omega, \ e \ \alpha = 0,00392\Omega /ºC !$.
Assinale a seguir a alternativa CORRETA:
Provas
Atualmente, na área de instrumentação e automação industrial,, já existem dezenas de protocolos de comunicação digital para a implementação de redes industriais, os quais têm sido utilizados para supervisionar e controlar diversos processos e equipamentos. O objetivo principal desses protocolos é permitir a troca rápida, precisa e confiável de informações entre sensores, atuadores, controladores, computadores e demais equipamentos industriais. Criado pela ISO em 1977, o modelo de referência OSI (Open Systems Interconnection) tem como objetivo criar padrões de conectividade para interligar dispositivos locais e remotos, também servindo como referência para o desenvolvimento de protocolos para redes industriais. Sobre o modelo de referência OSI, assinale a seguir a afirmativa CORRETA:
Provas
A Linguagem LADDER é uma das mais utilizadas e difundidas no que se refere à programação de Controladores Lógicos Programáveis (CLPs). Baseada em um sistema parecido com uma “escada”, ela executa as funções de acordo com entradas e conforme os ciclos de scan (rodadas) do programa pré-determinado. A imagem a seguir mostra um programa escrito em Linguagem LADDER:

Com base no programa apresentado, considerando como entrada I e saída S, fazem-se 4 rodadas (4 ciclos de scan), sendo que a entrada I é igual a 0 na primeira e na terceira rodadas, e a entrada I é igual a 1 na segunda e na quarta rodadas. Admita que, antes de executar a 1ª rodada, A=0, B=0 e C=0. O valor das variáveis A, B e C, respectivamente, após essas 4 rodadas, será:
Provas
Na figura a seguir é apresentado um circuito muito comum na área de eletrônica de potência, chamado retificador de onda completa em ponte.

A respeito do funcionamento deste circuito, classifique as afirmativas a seguir como V (verdadeiro) ou F (falso):
I – O valor da corrente média nos diodos é um quarto da corrente média na carga RL.
II – Os diodos D1 e D3 irão conduzir em série enquanto a tensão V2 for positiva.
III – Quando V2 é negativo, a tensão reversa sobre os diodos D2 e D4 é igual à tensão do secundário do transformador.
IV – A tensão de pico na carga RL será dada pela tensão de pico no secundário do transformador menos a queda de tensão dos diodos que estão conduzindo.
Nas alternativas a seguir, assinale o item que apresenta a sequência correta para as afirmativas apresentadas:
Provas
A seguinte notícia foi publicada na coluna “Fala, leitor!” no site do jornal A Gazeta:
Fala, leitor!
Castigo “à moda antiga” divide opiniões de leitores Homem obrigou filho que mentiu sobre tarefas de casa a escrever 200 vezes a frase “não devo mentir para meu pai” em um caderno. Assunto viralizou nas redes sociais (Fonte: https://www.agazeta.com.br/fala-leitor/castigo-a-moda-antiga-divide-opinioes-de-leitores-0218).
Admitindo uma situação hipotética na qual o filho fosse um aficionado por informática e soubesse programar em linguagem C. Ao receber essa punição, ele se empenhou em escrever um algoritmo que fazia a leitura de um número N, e, logo a seguir, imprimia a mensagem “não devo mentir para meu pai” várias vezes na tela do computador. Ao término da programação do algoritmo, foi desenvolvido o seguinte código:

Se ao executar o algoritmo o filho digitar como N o valor 200, quantas mensagens serão exibidas na tela do computador?
Provas
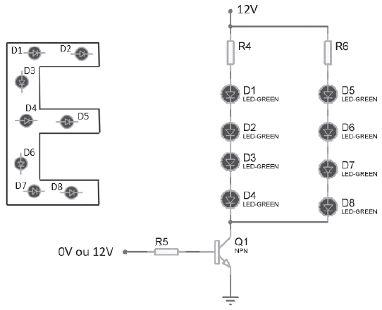
O diodo emissor de luz (LED, em inglês Light-Emitting Diode) é um tipo de componente eletrônico semicondutor que emite luz e tem ampla utilização na eletrônica. As luminárias de letra utilizando LEDs são frequentemente objeto de projetos para sinalização luminosa e devido ao baixo custo dos componentes possuem larga aplicação.
Um exemplo de circuito projetado para iluminar a letra E é mostrado a seguir. Foram utilizados 8 LEDs acionados por um transistor operando como chave. A alimentação do circuito é de 12 V. Como dados do projeto, considere a tensão coletor-emissor de saturação do transistor VCESAT = 1,0V, corrente do LED ILED = 20mA e tensão do LED VLED = 2,0V.

Para o projeto desse circuito, pergunta-se quais serão, respectivamente, o valor de R4 e a corrente que passará pelo coletor do transistor Q1?
Provas
Caderno Container