Foram encontradas 40 questões.
A elevada corrente de partida é um dos fatores mais severos no acionamento de máquinas elétricas. Os métodos de partida indireta têm por finalidade reduzir essa corrente de partida, amenizando os seus efeitos sobre a instalação. A partida Y-Δ utiliza os próprios enrolamentos do motor para realizar a sua partida em dois estágios.
A partida Y-Δ tem como característica:
Provas
Duas cargas elétricas de sinais opostos, Q1 e Q2, estão no vácuo e separadas por 2cm, conforme figura.

As cargas de Q1 e Q2 possuem um módulo de, respectivamente, 2,5μC e 5,2μC, o que lhes confere uma força eletrostática de 292,1N.
Considere, agora, que Q2 foi substituída por uma outra carga Q3, de mesmo sinal que Q1, porém de módulo 15,6μC e distante 4cm de Q1.
Sabe-se que a permissividade do vácuo vale ∈0 = 8,854 x 10-12 !$ F\ !$/ !$ m !$
Qual será o módulo da força eletrostática entre Q1 e Q3?
Provas
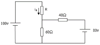
O circuito abaixo possui duas fontes de tensão de corrente continua e três resistores.

Calcule o valor da corrente (iR) que passa através do resistor R.
Provas
O regime de operação da fibra óptica é, obrigatoriamente, sob a condição de reflexão interna total, conforme ilustração a seguir, sendo “Core” o núcleo e “Cladding” a casca (baínha) da fibra.

Fonte: Stack Exchange. What’s so interesting about
the acceptance cone in fiber optics? Disponível em:
https://physics.stackexchange.com/questions/426634/
whats-so-interesting-about-the-acceptance-cone-in
fiber-optics. Acesso em: 19 nov. 2018.
Com base na figura apresentada, para ocorrer reflexão total dentro da fibra, como deve ser o ângulo de incidência e os índices de refração dos meios?
Provas
Considere o sistema 1 e o sistema 2 independentes, a função de transferência FT1 refere-se ao sistema 1 e função de transferência FT2 refere-se ao sistema 2. Ambos os sistemas são de entrada limitada e saída limitada (BIBO – Bounded Input Bounded Output).
|
FT1(S) = 1 !$ \overline{S^{2}+4S+5} !$
|
|
FT2(S) = !$ \dfrac{1}{S^{3}+5S^{2}+10S+60} !$ |
Conhecidas as Funções de Transferência dos sistemas 1 e 2, analise a estabilidade de cada sistema.
Provas
- Educação e FilosofiaPensamento Pedagógico Brasileiro
- Temas Educacionais PedagógicosTendências Pedagógicas
Demerval Saviani descreve onze teses sobre educação e política em sua obra Escola e Democracia, mostrando como se configuram as relações entre educação e política e evidenciando que “toda prática educativa, como tal, possui uma dimensão política assim como toda prática política possui, em si mesma, uma dimensão educativa.”
Assinale a alternativa que apresenta corretamente a definição sobre a dimensão política da educação presente na obra referida acima:
Provas
Ao caracterizar a relação entre educação e sociedade para as teorias não-críticas, Saviani (2018, p. 4) afirma que concebem “a educação com uma ampla margem de autonomia em face da sociedade”, cabendo-lhe “um papel decisivo na conformação da sociedade evitando sua desagregação e, mais do que isso, garantindo a construção de uma sociedade igualitária”.
Assinale a alternativa que apresenta corretamente as pedagogias que Saviani (2018) define como teorias não-críticas.
Provas
- Educação e FilosofiaPensamento Pedagógico Brasileiro
- Temas Educacionais PedagógicosTendências Pedagógicas
Provas
Provas
No livro Documentos de Identidade: uma introdução às teorias do currículo, Tomaz Tadeu da Silva, argumenta que um currículo crítico inspirado nas teorias sociais que questionam a construção social da raça e da etnia também evitariam tratar a questão do racismo de uma forma simplista. Para o autor, o racismo não poderia ser tratado simplesmente como uma questão de preconceito individual, pois isso geraria uma pedagogia e um currículo centrados numa simples “terapêutica” de atitudes individuais consideradas erradas.
Considerando tais argumentações, uma unidade educacional que estivesse diante de uma situação de racismo praticada entre estudantes, estaria alinhada corretamente com os pensamentos do teórico, se:
Provas
Caderno Container