Foram encontradas 1.513 questões.
Assinale respectivamente qual o nome da vista posicionada abaixo da vista frontal quando utilizado a projeção ortogonal no 1° Diedro e o nome da vista posicionada a direita da vista frontal quando utilizado a projeção ortogonal no 3° Diedro:
Provas
Realize a leitura dos paquímetros a seguir e indique respectivamente o valor encontrado. Para identificar o traço coincidente da escala fixa com a escala do nônio considere a elipse na imagem a seguir.

Provas
Quanto à classificação os elementos de fixação podem ser móveis ou permanentes. Identifique qual das opções a seguir apresenta elementos de fixação permanentes.
Provas
Flambagem é considerada uma instabilidade elástica onde uma peça ao sofrer carregamento axial de compressão pode perder a sua estabilidade sem que o material tenha atingido o seu limite de escoamento. Assinale a alternativa que corresponde a correta denominação da medida relativa entre o comprimento de uma barra e sua seção transversal, cujo valor é utilizado nos cálculos de flambagem de barras:
Provas
Analisando a viga bi-apoiada abaixo, assinale a alternativa que corresponde ao Momento Fletor (Mf) máximo na mesma:

Provas
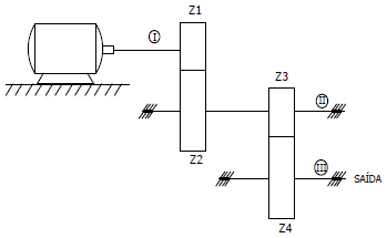
No esquema de transmissão representado abaixo a rotação do motor é de 720 rpm, sabe-se também que as engrenagens possuem número de dentes conforme segue: Z1=20; Z2=30 ; Z3=16 e Z4=64. Assinale a alternativa que corresponde à rotação na saída da transmissão (árvore III):

Provas
Existem ensaios que têm como objetivo principal a verificação do comportamento mecânico de um elemento estrutural. Identificar dentre as alternativas qual melhor representa este conjunto de ensaios:
Provas
O ensaio para o levantamento da dureza de materiais onde o índice de dureza é determinado através da diferença na profundidade de penetração resultante da aplicação de uma carga inicial menor seguida por uma carga principal maior é denominado:
Provas
O pesquisador August Wöhler verificou experimentalmente que peças de máquinas de certos materiais, ao serem solicitadas ciclicamente e para um certo número de solicitações repetidas, rompiam-se num valor de carga máxima inferior ao limite suportado por uma carga estática, ou seja, abaixo do limite de resistência à tração ou escoamento do material. Este fenômeno foi denominado:
Provas
A figura abaixo representa o gráfico “Tensão x Deformação” de um aço estrutural. Baseando-se nos pontos destacados no mesmo, podemos afirmar que o ponto “B” é referente à:

Provas
Caderno Container