Foram encontradas 80 questões.
A respeito dos contadores assíncronos e síncronos é correto afirmar que:
Provas
Um termômetro requer 1 minuto para indicar 98% do valor final de sua resposta ao degrau unitário. Assumindo que o termômetro é um sistema de 1ª ordem. Encontre sua constante de tempo T.
Dados: Ln (0,02) = -3,91 e Ln (0,98) = -0,02
Provas
Faça uma leitura atenta das afirmações apresentadas abaixo sobre as características básicas do controle integral e marque verdadeiro (V) ou falso (F). Depois, assinale a opção que contenha a sequência exata a partir da primeira assertiva:
( ) A correção depende não só do erro mas também do tempo em que ele perdurar.
( ) Quanto maior o erro, maior a velocidade de correção.
( ) A saída do controlador não muda de sentido enquanto o sinal de desvio não se inverte.
Provas
Faça uma leitura atenta das afirmações apresentadas abaixo sobre as características e princípios de operação do SCR e marque verdadeiro (V) ou falso (F). Depois, assinale a opção que contenha a sequência exata a partir da primeira assertiva:
( ) Um SCR pode retornar à condição de bloqueio somente pela interrupção da corrente entre anodo e catodo ou pela redução da corrente de retenção IH.
( ) Um SCR pode entrar em condução por uma variação brusca da tensão (dv/dt) entre os terminais do anodo e do catodo.
( ) Comutação forçada pode ser definida como a imposição de uma corrente através do SCR na direção contrária à condução direta.
Provas
Sobre as linguagens de programação e suas definições é correto afirmar que:
Provas
Um processador baseado na arquitetura Harvard possui:
Provas
O que é impresso na tela de acordo com programa abaixo?
|
int y = 10, z = 2; for (int x = 0; x<5; x++) { if (x % 2 == 0) y = z + x; else y++; z++; printf ("x:%d y:%d z:%d \n", x, y, z); } |
Provas
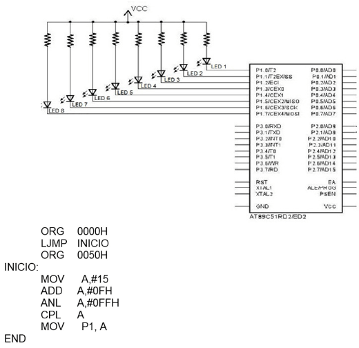
Numa placa microcontrolada com 8051, há oito LEDs, do LED1 ao LED8, conectados na Porta P1, conforme ilustra o circuito da figura a seguir. Assinale a alternativa correta, indicando o(s) LED(s) ativado(s) através da rotina abaixo:

Provas
Ao observamos o fragmento de programa de um microcontrolador PIC em linguagem C, podemos determinar o valor das variáveis X e Y. Indique quais os valores.
Boolean x, y;
#use fixed_io (c_output = pin_c0, pin_c2);
output_high (pin_c0);
output_low (pin_c0);
x = input (pin_c0);
output_high (pin_c2);
output_low (pin_c2);
Y = input (pin_c2);
Provas
Um circuito de controle de potência em corrente alternada é mostrado na figura abaixo. Ele é constituído de uma ponte retificadora formada por diodos, a carga que recebe a potência, e o elemento principal de controle o SCR. Ele necessita de um disparo no terminal de porta (G) para entrar em condução, desde que diretamente polarizado. O disparo é fornecido pelo circuito de controle, o qual determina o ângulo em relação à tensão senoidal aplicada, de acordo com a potência desejada. Considere uma tensão senoidal com valor de pico Vp, a carga puramente resistiva, determine o ângulo de disparo para que a tensão média na carga seja !$ Vp/\pi !$:

Provas
Caderno Container