Foram encontradas 550 questões.
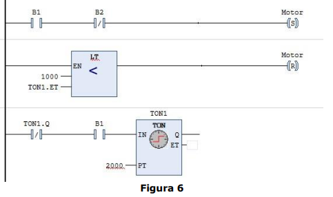
Um Projeto construído para um CLP foi programado em uma linguagem denominada
“Ladder”, como apresentado na Figura 6 abaixo. Assinale a alternativa que descreve corretamente o
comportamento do sistema.


Provas
Questão presente nas seguintes provas
Um projeto construído para um CLP (Controlador Lógico Programável) foi programado
em uma linguagem denominada “Ladder”, como apresentado na Figura 5 abaixo. Assinale a alternativa
que descreve corretamente o comportamento do sistema.


Provas
Questão presente nas seguintes provas
Os protocolos de redes industriais são códigos criados para que os computadores
possam “conversar” e realizar uma série de processos. Sobre essas redes, é INCORRETO afirmar que:
Provas
Questão presente nas seguintes provas
Os sensores fotoelétricos são elementos muito importantes para percepção e
identificação de objetos e apresentam principalmente três maneiras de detecção: por reflexão, por
barreira e difuso. Sobre esses sensores, é correto afirmar que:
Provas
Questão presente nas seguintes provas
Considerando os algarismos significativos em uma soma de dois valores, os números
178,7 e 14,03, é correto afirmar que a soma desses números é:
Provas
Questão presente nas seguintes provas
É INCORRETO afirmar que o dispositivo de segurança contra contatos ou fugas
elétricas chamado de Diferencial Residual (DR) para proteção contra contatos diretos é utilizado:
Provas
Questão presente nas seguintes provas
Em relação aos instrumentos de medidas elétricas aplicados aos circuitos de Corrente Contínua (CC), analise as assertivas abaixo:
I. Para observar o valor da tensão elétrica, deve-se utilizar um multímetro digital, pois ele mostra diretamente o valor DC.
II. Para observar diretamente a potência dissipada em um resistor, pode-se utilizar somente um voltímetro.
III. Para medir a corrente DC, deve-se usar um decibelímetro digital, pois ele fornece a corrente já nesse formato DC.
IV. A tensão elétrica pode ser medida diretamente por um ohmímetro.
Quais estão INCORRETAS?
I. Para observar o valor da tensão elétrica, deve-se utilizar um multímetro digital, pois ele mostra diretamente o valor DC.
II. Para observar diretamente a potência dissipada em um resistor, pode-se utilizar somente um voltímetro.
III. Para medir a corrente DC, deve-se usar um decibelímetro digital, pois ele fornece a corrente já nesse formato DC.
IV. A tensão elétrica pode ser medida diretamente por um ohmímetro.
Quais estão INCORRETAS?
Provas
Questão presente nas seguintes provas
Um sistema de segundo grau responde a uma entrada ao degrau unitário, conforme
demostrado no gráfico da Figura 4 abaixo:

Sobre isso, analise as seguintes assertivas: I. O sistema apresenta um coeficiente de amortecimento menor que um. II. A resposta apresenta Wn=0. III. A resposta do sistema apresenta um sobressinal. IV. O sistema é estável. Quais estão corretas?

Sobre isso, analise as seguintes assertivas: I. O sistema apresenta um coeficiente de amortecimento menor que um. II. A resposta apresenta Wn=0. III. A resposta do sistema apresenta um sobressinal. IV. O sistema é estável. Quais estão corretas?
Provas
Questão presente nas seguintes provas
A norma IEC 61131-3 foi o primeiro esforço real para a padronização das linguagens
de programação para a automação industrial. Nesse esforço, foram padronizadas quatro principais
linguagens de programação de CLPs, sendo duas linguagens textuais e duas gráficas. Sobre essa
afirmação, quais são as linguagens textuais e as linguagens gráficas, respectivamente?
Provas
Questão presente nas seguintes provas
A respeito de sistemas de transmissão, redes de comunicação e modelo OSI, assinale
a alternativa correta.
Provas
Questão presente nas seguintes provas
Cadernos
Caderno Container