Foram encontradas 1.668 questões.
Qual é o metal de sacrifício ou anodo de sacrifício, normalmente empregado para a proteção de corrosão de cascos de navios e plataformas de petróleo? Assinale a alternativa que responde CORRETAMENTE à questão acima.
Provas
Leia com atenção as afirmações a seguir e marque (V) para as verdadeiras e (F) para as falsas.
( ) Monitorar parâmetros que caracterizem a condição de operação da máquina de forma a poder detectar, prever a época da provável ocorrência e, se possível, diagnosticar o tipo de defeito para que se possa planejar a operação de manutenção na ocasião e na forma mais conveniente é a definição de manutenção preventiva.
( ) Manutenção Corretiva é realizada sempre que ocorrer uma situação indesejada, no intuito de restaurar a condição operacional de um determinado equipamento. O dispositivo permanece em operação até falhar, o que resulta na imprevisibilidade da interferência em termos de prazo e material necessário, uma vez que a falha só é conhecida após sua ocorrência.
( ) Com o acompanhamento qualitativo dos equipamentos, os momentos de intervenção podem se basear em dados de cada unidade, ocorrendo em momento adequado. Essa manutenção permite uma maior disponibilidade do equipamento durante toda maturidade (período desejavelmente mais longo do produto), não incorrendo em remoção prematura, em revisões desnecessárias e evitando, também, sua separação com a confiabilidade degradada.
( ) Com o advento de novas tecnologias, a atividade de manutenção passou a ser sinônimo de qualidade, confiabilidade de diversos setores, como telecomunicações e aviação.
Assinale a alternativa que contém a sequência CORRETA de cima para baixo.
Provas
Como é chamada a manutenção realizada independente de ocorrência de falha, em intervalos programados, determinados em horas de funcionamento, quantidade de ciclo ou prazo de validade, baseados em uma estimativa média de ocorrência de falhas? Assinale a alternativa que responde CORRETAMENTE à questão acima.
Provas
A análise do comportamento da taxa de falha de um equipamento ao longo do tempo pode ser representada por uma curva que possui a forma de uma banheira Nas curvas da banheira (bathtube curve), as fases descritas são: infantil, juvenil e envelhecimento. Sobre essas fases, assinale a alternativa CORRETA.
Provas
A probabilidade de um produto executar, sem falhas, certa missão, sob certas condições, durante um determinado período de tempo é, em relação à manutenção, a definição de quê? Assinale a alternativa que responde CORRETAMENTE à questão acima.
Provas

O ciclo teórico simples de refrigeração por compressão de vapor é mostrado na figura abaixo sobre um diagrama de Mollier, P-h.
Ele representa um esquema básico com os componentes principais de um sistema frigorífico.
A partir das informações fornecidas, correlacione corretamente a coluna da direita de acordo com a da esquerda.
(A) Processo 1 → 2
(B) Processo 2 → 3
(C) Processo 3 → 4
(D) Processo 4 → 1
( ) Condensador
( ) Válvula de expansão
( ) Compressor
( ) Evaporador
Assinale a alternativa que contém a ordem CORRETA de correlação, de cima para baixo.
Provas
Sobre o efeito de concentração, assinale a alternativa CORRETA.
Provas
Um elevador de carga para construção civil dispõe de um sistema de polias, conforme a ilustração abaixo, e tem capacidade para transportar no máximo 1.500 kg. Considerando que um motor elétrico com potência de 5250 W e n = 1750 rpm será utilizado para movimentar o elevador a uma altura máxima de 122,5 m, qual deve ser o diâmetro da polia do motor e tempo total de subida?
* considere g = 10 m/s2 e o valor constante π=3.

Assinale a alternativa que responde CORRETAMENTE à questão acima.
Provas
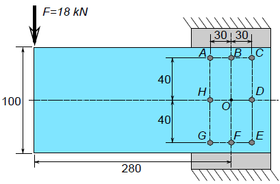
Uma força F=18 kN vertical é aplicada na extremidade de uma barra horizontal que está fixada a uma coluna vertical por 8 parafusos idênticos, conforme a distribuição apresentada na Figura abaixo. Cotas em mm.

Leia com atenção as afirmações a seguir e marque (V) para as verdadeiras e (F) para as falsas.
( ) Os parafusos A, C, E e G resistem à mesma tensão de cisalhamento.
( ) O parafuso H resiste à maior solicitação entre todos.
( ) Os parafusos B e F resistem ao menor esforço de cisalhamento entre todos.
( ) Os parafusos C e E resistem ao esforço de cisalhamento de mesma intensidade.
( ) O parafuso D não sofre esforço algum.
Assinale a alternativa que contém a sequência CORRETA, de cima para baixo.
Provas
O sistema de transmissão da ilustração abaixo é acionado por um motor elétrico síncrono, com potência de 20 CV (~14,7kW) e rotação de 1750 rpm, para movimentar um maquinário para olaria que produz durante 24h/dia. A potência do motor é transmitida ao eixo 'A' por uma correia que conecta a polia 'a' (diâmetro 108 mm) à polia 'b' (diâmetro 270 mm). O eixo 'A' transmite a potência ao eixo 'B' pelo par de engrenamento 1 e 2 (28 e 40 dentes, respectivamente) que, por sua vez, transmite a potência ao eixo 'C' (saída) pelo par de engrenamento 3 e 4 (19 e 38 dentes, respectivamente). Considere a eficiência da transmissão por correia 0,97 sem haver escorregamento, a eficiência de cada par de engrenamento 0,94, os mancais como ideais e o valor constante π=3,14.

Assinale a alternativa que responde CORRETAMENTE à questão acima.
Provas
Caderno Container