Foram encontradas 180 questões.
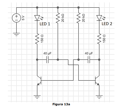
Considerando as informações apresentadas, assinale a alternativa que indica a forma de onda da Figura 13b que mais se aproxima do comportamento da corrente no LED 2, apresentado na Figura 13a.
Provas
Para realização adequada do dimensionamento de luminárias em um dado ambiente de trabalho, deve-se determinar alguns parâmetros e características que definirão a luminária ou as luminárias adequadas, bem como a distância e o posicionamento entre elas. Um desses parâmetros é o fator do local, conhecido como K, e dado pela seguinte expressão:
\( K = { \dfrac{ l ⋅ b}{ h_m(l + b)} }\)
Onde:
- \( l \) = comprimento do local;
- \( b \) = largura do local;
- \( h_m \) = altura de montagem da luminária (distância da fonte de luz ao plano de trabalho)
Outro parâmetro é o fator de utilização (\( \eta \)) que é a razão do fluxo de luz útil, isto é, aquele que incide efetivamente sobre o plano de trabalho, em relação ao fluxo de luz total emitido. O fator de utilização é fornecido pelo fabricante da luminária, em função do fator do local e das refletâncias, em lux, necessários para o ambiente. A Tabela 2 abaixo apresenta um extrato de uma tabela de fatores de iluminação:

Considerando, para esse tipo de ambiente, uma refletância de 551 lx e, para uso da Tabela 2, o fator do local igual ou imediatamente superior ao valor calculado, determine o fator de utilização para as luminárias TCS 029. Essas luminárias estão de acordo com as seguintes especificações: iluminação de escritório com 18 m de comprimento, 9 m de largura e 3 m de altura (pé direito), com luminárias TCS 029 e mesas com altura de 0,80 m.
Provas
I. É considerado trabalhador qualificado aquele que comprovar conclusão de curso específico na área elétrica reconhecido pelo sistema oficial de ensino.
II. É considerado profissional legalmente habilitado aquele possuidor de Carteira Nacional de Habilitação (CNH), emitida pelo Detran de qualquer unidade da federação.
III. É considerado trabalhador capacitado aquele que atenda às seguintes condições, simultaneamente: a) receba capacitação sob orientação e responsabilidade de profissional habilitado e autorizado; e b) trabalhe sob a responsabilidade de profissional habilitado e autorizado.
IV. São considerados autorizados os trabalhadores qualificados ou capacitados e os profissionais habilitados, com anuência formal da empresa.
V. A empresa deve estabelecer sistema de identificação que permita a qualquer tempo conhecer a abrangência da autorização de cada trabalhador, pelo uso exclusivo de uniforme de combate ao fogo completo.
Quais estão corretas?
Provas
Analise o circuito apresentado na Figura 12 abaixo:

Com base nas informações apresentadas, determine a leitura do amperímetro no circuito.
Provas
Provas
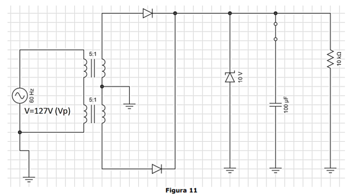
Analise o circuito apresentado na Figura 11 a seguir:

Com base nas informações apresentadas, analise as assertivas a seguir:
I. O circuito é de um retificador de meia onda.
II. O diodo zener mantém uma tensão constante (Vz = 10 V) na carga R = 10 quilo-ohms de 10 V.
III. A tensão na carga de 10 quilo-ohms é do tipo contínua pulsante.
IV. O capacitor em paralelo com a carga de 10 quilo-ohms realiza filtragem e redução do ripple, estabilizando a tensão na carga, que permanecerá constante e contínua.
Quais estão corretas?
Provas
I. Fortalecer as instituições e esclarecer as responsabilidades entre os governos locais, regionais e centrais no que se refere à eletrificação e gestão de energia.
II. Aumentar o valor das tarifas de energia, para gerar uma diminuição do consumo pelas pessoas mais pobres.
III. Desenvolver planos comunitários de energia tais como microrredes de bairros, para permitir que bairros individuais economizem dinheiro e também forneçam energia em caso de perda.
Quais estão INCORRETAS?
Provas
Analise a Figura 10 abaixo:

Com base nas informações apresentadas, determine o valor do capacitor Cx para que a reatância capacitiva do circuito seja de 25 ohms. Considere ω = 2000 rad/s.
Provas
Analise o mapa de Karneaugh da função S abaixo:

Com base no mapa apresentado, determine a expressão simplificada.
Provas
Sobre os diagramas apresentados, assinale a alternativa correta.
Provas
Caderno Container